Запчасти Komatsu WA250PZ-6 КРЕПЛЕНИЕ ГЕНЕРАТОРА (ДЛЯ 9A БЕСЩЕТОЧН. ГЕНЕРАТОР)(ESN 98-) AA ДВИГАТЕЛЬ

Схема запчастей Komatsu WA250PZ-6 - КРЕПЛЕНИЕ ГЕНЕРАТОРА (ДЛЯ 9A БЕСЩЕТОЧН. ГЕНЕРАТОР)(ESN 98-) AA ДВИГАТЕЛЬ
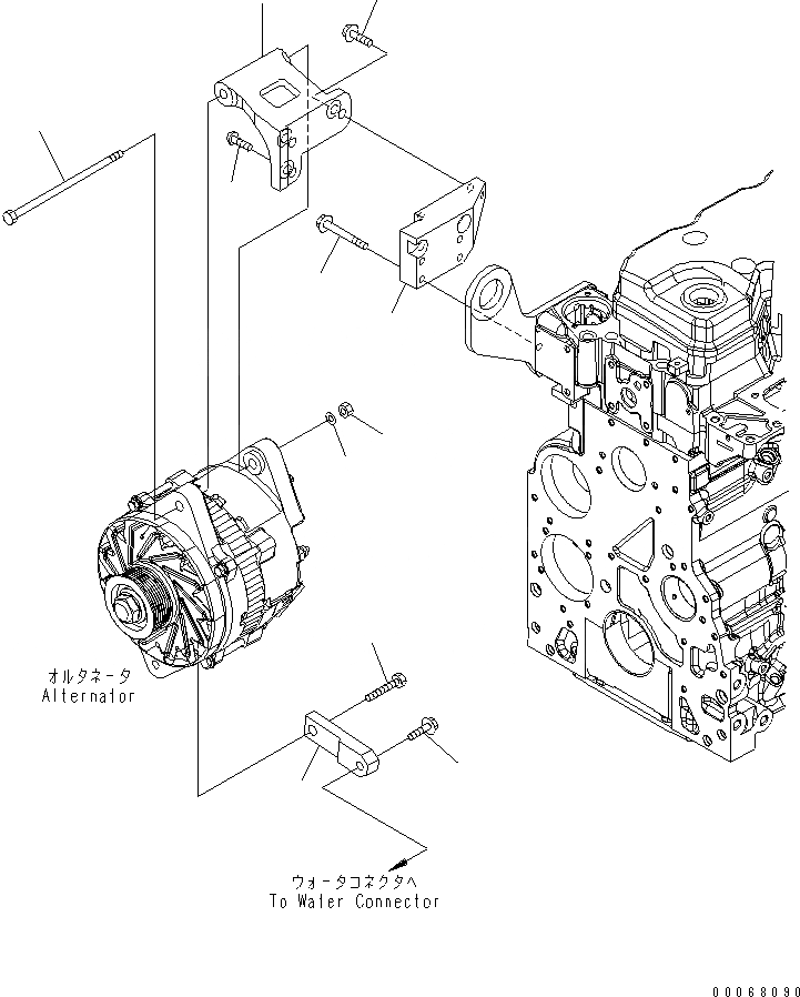
1
2
3
4
5
6
7
8
9
10
11
FIT
1:1
100%

Артикул

Название

Примечание

Количество

1

6754-81-6930

SUPPORT

SN: 26509358-UP

1шт.

2

6736-21-3210

BOLT

SN: 26509358-UP

4шт.

3

6741-81-6520

BRACKET

SN: 26509358-UP

1шт.

4

01435-61030

BOLT

SN: 26509358-UP

2шт.

5

6754-21-1920

BOLT

SN: 26509358-UP

1шт.

6

6732-81-6840

BOLT

SN: 26509358-UP

1шт.

7

01641-21223

WASHER

SN: 26509358-UP

1шт.

8

01582-11210

NUT

SN: 26509358-UP

1шт.

9

6754-81-6940

BRACKET

SN: 26509358-UP

1шт.

10

6732-22-3110

BOLT

SN: 26509358-UP

1шт.

11

6754-81-6280

BOLT

SN: 26509358-UP

1шт.

Выбрано товаров: 11