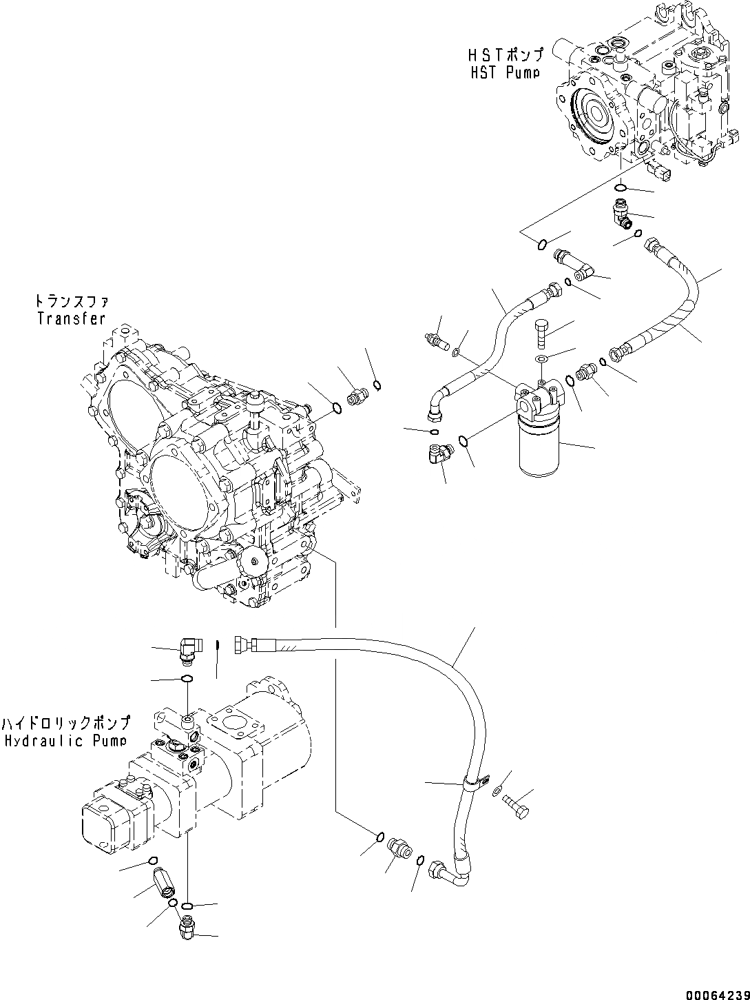
Запчасти Komatsu WA250PZ-6 ГИДРОЛИНИЯ, ФИЛЬТР. И ПЕРЕДАЧА ТРУБЫ (№77-) ГИДРОЛИНИЯ, С ЭКСТРЕНН. УПРАВЛ., АВТОМАТИЧ. УПРАВЛ-Е ТИП

Схема запчастей Komatsu WA250PZ-6 - ГИДРОЛИНИЯ, ФИЛЬТР. И ПЕРЕДАЧА ТРУБЫ (№77-) ГИДРОЛИНИЯ, С ЭКСТРЕНН. УПРАВЛ., АВТОМАТИЧ. УПРАВЛ-Е ТИП
16
22
30
28
27
29
23
24
20
19
21
26
25
31
32
29
17
18
15
14
13
12
11
10
9
9
14
9
1
2
3
4
5
7
8
8
6
9
FIT
1:1
100%

Артикул

Название

Примечание

Количество

1

418-18-34110

Filter Assembly

SN: 75750-UP

1шт.

2

415-18-11150

Sensor, Pressure

SN: 75750-UP

1шт.

3

415-18-11160

Washer

SN: 75750-UP

1шт.

|$3

418-18-34160

Cartridge

SN: 75027-UP

1шт.

4

01010-80825

Bolt

SN: 75750-UP

4шт.

5

01643-30823

Washer

SN: 75750-UP

4шт.

6

02781-00422

Union

SN: 75750-UP

1шт.

7

02782-10422

Elbow

SN: 75750-UP

1шт.

8

07002-12034

O-ring

SN: 75750-UP

2шт.

9

02896-11012

O-ring

SN: 75750-UP

4шт.

10

418-18-42370

Hose Assembly

SN: 75750-UP

1шт.

11

08210-01802

Tube, Spiral

SN: 75750-UP

1шт.

12

02754-00406

Hose, Face Seal Type

SN: 75750-UP

1шт.

13

418-62-35111

Elbow

SN: 75750-UP

1шт.

14

07000-12018

O-ring

SN: 75750-UP

2шт.

15

417-18-41190

Elbow

SN: 75750-UP

1шт.

16

418-18-31412

Hose

SN: 75750-UP

1шт.

17

02782-10516

Elbow

SN: 75750-UP

1шт.

18

07002-22034

O-ring

SN: 75750-UP

1шт.

19

02781-00522

Union

SN: 75750-UP

1шт.

20

07002-22434

O-ring

SN: 75750-UP

1шт.

21

02896-21015

O-ring

SN: 75750-UP

1шт.

22

04434-52310

Clip

SN: 75750-UP

1шт.

23

01010-81020

Bolt

SN: 75750-UP

1шт.

24

01643-31032

Washer

SN: 75750-UP

1шт.

25

02782-10420

Elbow

SN: 75750-UP

1шт.

26

07002-21823

O-ring

SN: 75750-UP

1шт.

27

02781-00422

Union

SN: 75750-UP

1шт.

28

07002-22034

O-ring

SN: 75750-UP

1шт.

29

02896-21012

O-ring

SN: 75750-UP

2шт.

30

02896-21015

O-ring

SN: 75750-UP

1шт.

31

02896-21012

O-ring

SN: 75750-UP

1шт.

32

418-18-41430

Union

SN: 75750-UP

1шт.

Выбрано товаров: 0