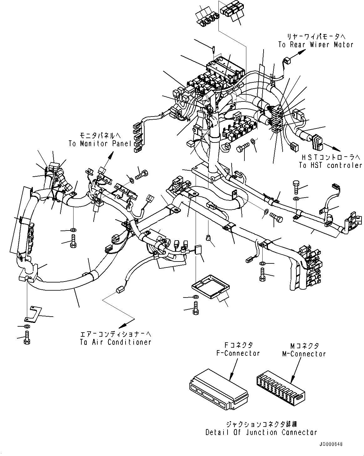
Запчасти Komatsu WA250PZ-6 КАБИНА ROPS И ОСНОВН. КОНСТРУКЦИЯ ГРУППА, ПОЛ, ПРОВОДКА (/) (№77-) КАБИНА ROPS И ОСНОВН. КОНСТРУКЦИЯ ГРУППА, ДЛЯ СТРАН ЕС ARRANGEMENT

Схема запчастей Komatsu WA250PZ-6 - КАБИНА ROPS И ОСНОВН. КОНСТРУКЦИЯ ГРУППА, ПОЛ, ПРОВОДКА (/) (№77-) КАБИНА ROPS И ОСНОВН. КОНСТРУКЦИЯ ГРУППА, ДЛЯ СТРАН ЕС ARRANGEMENT
38
36
23
18
1
37
35
34
33
20
30
29
20
18
22
4
5
2
3
13
16
11
27
17
21
42
43
34
33
27
30
29
39
41
14
20
18
25
15
13
18
24
26
29
30
28
26
40
11
18
7
19
9
6
31
32
11
11
18
10
13
11
15
14
16
13
12
19
8
FIT
1:1
100%

Артикул

Название

Примечание

Количество

1

418-06-42111

Wiring Harness

SN: 75750-UP

1шт.

2

20Y-62-22790

Band, Red

SN: 75750-UP

1шт.

3

20Y-62-22820

Band, Blue

SN: 75750-UP

1шт.

4

20Y-62-22830

Band, White

SN: 75750-UP

1шт.

5

20Y-62-22850

Band, Green

SN: 75750-UP

1шт.

6

21J-06-13661

Diode

SN: 75750-UP

4шт.

7

283-06-16110

Box, Fuse

SN: 75750-UP

2шт.

8

283-06-16160

Terminal

SN: 75750-UP

60шт.

9

8233-06-3350

Diode

SN: 75750-UP

3шт.

10

HM6440-0136

F-Connector, Purple

SN: 75750-UP

1шт.

10

HM6440-0135

M-Connector, Purple

SN: 75750-UP

1шт.

11

HM6400-0016

F-Connector, Orange

SN: 75750-UP

5шт.

11

HM6409-0075

M-Connector, Orange

SN: 75750-UP

5шт.

12

HM6400-0014

F-Connector, Blue

SN: 75750-UP

1шт.

12

HM6409-0073

M-Connector, Blue

SN: 75750-UP

1шт.

13

HM6440-0129

F-Connector, Pink

SN: 75750-UP

4шт.

13

HM6440-0128

M-Connector, Pink

SN: 75750-UP

4шт.

14

HM6400-0012

F-Connector, Black

SN: 75750-UP

2шт.

14

HM6409-0071

M-Connector, Black

SN: 75750-UP

2шт.

15

HM6400-0013

F-Connector, Green

SN: 75750-UP

2шт.

15

HM6409-0072

M-Connector, Green

SN: 75750-UP

2шт.

16

HM6400-0081

F-Connector, Gray

SN: 75750-UP

2шт.

16

HM6409-0255

M-Connector, Gray

SN: 75750-UP

2шт.

17

419-09-11150

Clip

SN: 75750-UP

1шт.

18

23S-61-24870

Clip

SN: 75750-UP

7шт.

19

142-06-13540

Clip

SN: 75750-UP

2шт.

20

04434-53412

Clip

SN: 75750-UP

6шт.

21

23S-62-25850

Clip

SN: 75750-UP

1шт.

22

04434-52712

Clip

SN: 75750-UP

1шт.

23

195-06-41840

Clip

SN: 75750-UP

2шт.

24

04434-51912

Clip

SN: 75750-UP

1шт.

25

04434-52312

Clip

SN: 75750-UP

2шт.

26

04434-51712

Clip

SN: 75750-UP

3шт.

27

04434-51412

Clip

SN: 75750-UP

2шт.

28

04434-51012

Clip

SN: 75750-UP

1шт.

29

01010-81016

Bolt

SN: 75750-UP

20шт.

30

01643-31032

Washer

SN: 75750-UP

20шт.

31

01010-81020

Bolt

SN: 75750-UP

2шт.

32

01643-31032

Washer

SN: 75750-UP

2шт.

33

01010-81025

Bolt

SN: 75750-UP

2шт.

34

01643-31032

Washer

SN: 75750-UP

2шт.

35

417-06-22410

Plate

SN: 75750-UP

1шт.

36

418-06-42450

Sheet

SN: 75750-UP

1шт.

37

01010-80616

Bolt

SN: 75750-UP

2шт.

38

01643-30623

Washer

SN: 75750-UP

2шт.

39

418-06-31610

Plate

SN: 75750-UP

2шт.

40

418-06-41640

Sheet

SN: 75750-UP

1шт.

41

07049-01012

Plug

SN: 75750-UP

1шт.

42

01010-80616

Bolt

SN: 75750-UP

4шт.

43

01643-30623

Washer

SN: 75750-UP

4шт.

Выбрано товаров: 50