Запчасти Komatsu WA250PZ-6 УПРАВЛЕНИЕ ПОГРУЗКОЙ БЛОК, ЭЛЕКТРИЧ. ЧАСТИ (№78-) УПРАВЛЕНИЕ ПОГРУЗКОЙ БЛОК, С MULTI-FUNCTION MONO РЫЧАГ И -РЫЧАГ УПРАВЛ. НАВЕСН. ОБОРУД., MULTI-COUPLER

Схема запчастей Komatsu WA250PZ-6 - УПРАВЛЕНИЕ ПОГРУЗКОЙ БЛОК, ЭЛЕКТРИЧ. ЧАСТИ (№78-) УПРАВЛЕНИЕ ПОГРУЗКОЙ БЛОК, С MULTI-FUNCTION MONO РЫЧАГ И -РЫЧАГ УПРАВЛ. НАВЕСН. ОБОРУД., MULTI-COUPLER
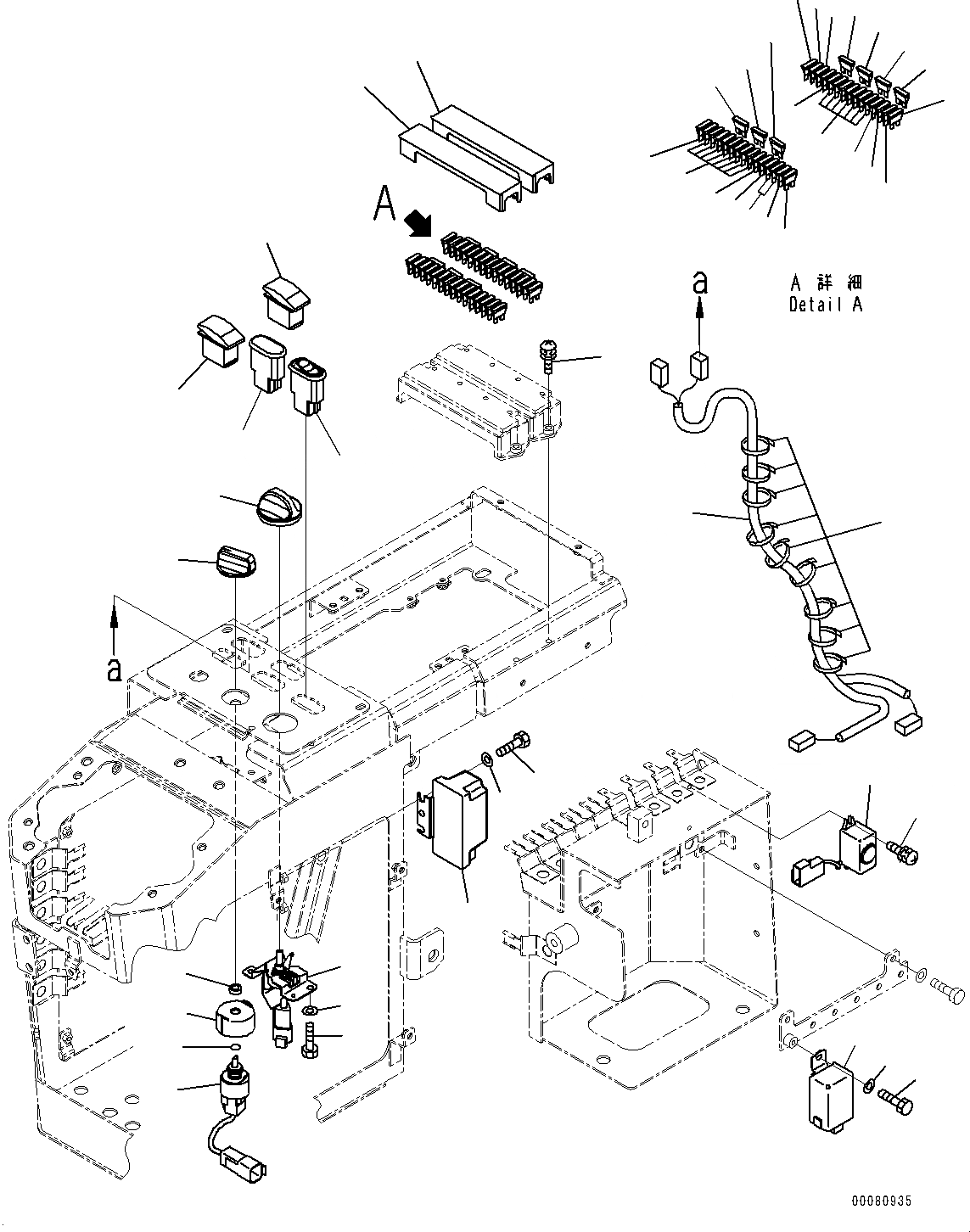
5
9
4
3
2
1
7
6
8
8
6
8
7
6
1
1
3
3
1
8
7
2
4
1
2
23
29
30
10
11
12
13
16
17
21
22
25
26
27
28
24
32
31
33
14
15
18
19
20
FIT
1:1
100%

Артикул

Название

Примечание

Количество

1

08041-01000

Fuse, 10Amp.

SN: 75813-UP

11шт.

2

08041-01500

Fuse, 15Amp.

SN: 75813-UP

3шт.

3

08041-02000

Fuse, 20Amp.

SN: 75813-UP

3шт.

4

08041-03000

Fuse, 30Amp.

SN: 75813-UP

2шт.

5

283-06-16120

Cover, Fuse Box 15Pole

SN: 75813-UP

1шт.

6

08041-00500

Fuse, 5Amp.

SN: 75813-UP

3шт.

7

08041-01000

Fuse, 10Amp.

SN: 75813-UP

10шт.

8

08041-02000

Fuse, 20Amp.

SN: 75813-UP

5шт.

9

283-06-16120

Cover, Fuse Box 15Pole

SN: 75813-UP

1шт.

10

01023-70520

Screw

SN: 75813-UP

4шт.

11

421-06-26220

Relay

SN: 75813-UP

1шт.

12

01010-80612

Bolt

SN: 75813-UP

2шт.

13

01643-30623

Washer

SN: 75813-UP

2шт.

14

23S-05-35320

Buzzer

SN: 75813-UP

1шт.

15

01023-70412

Screw

SN: 75813-UP

2шт.

16

421-06-36232

Switch

SN: 75813-UP

1шт.

17

421-06-36241

Knob

SN: 75813-UP

1шт.

18

416-06-22250

Flasher

SN: 75813-UP

1шт.

19

01010-80616

Bolt

SN: 75813-UP

1шт.

20

01643-30623

Washer

SN: 75813-UP

1шт.

21

426-06-33530

Switch, Traction Control

SN: 75813-UP

1шт.

22

20Y-06-42190

Cover

SN: 75813-UP

1шт.

23

418-T80-4130

Switch, Multi-coupler, Fork

SN: 75813-UP

1шт.

24

418-T80-4111

Switch, Bucket-Fork

SN: 75813-UP

1шт.

25

22U-06-22420

Potentiometer Assembly

SN: 75813-UP

1шт.

26

22U-06-22470

Knob

SN: 75813-UP

1шт.

27

01010-80612

Bolt

SN: 75813-UP

2шт.

28

01643-30623

Washer

SN: 75813-UP

2шт.

29

418-U77-4453

Wiring Harness

SN: 75813-UP

1шт.

30

134-03-61410

Band

SN: 75813-UP

9шт.

31

416-54-32770

Cover

SN: 75813-UP

1шт.

32

416-54-32790

O-ring

SN: 75813-UP

1шт.

33

195-979-7290

Collar

SN: 75813-76082

1шт.

Выбрано товаров: 0