Запчасти Komatsu WA250PZ-6 INCHING УПРАВЛ-Е (№77-) INCHING УПРАВЛ-Е

Схема запчастей Komatsu WA250PZ-6 - INCHING УПРАВЛ-Е (№77-) INCHING УПРАВЛ-Е
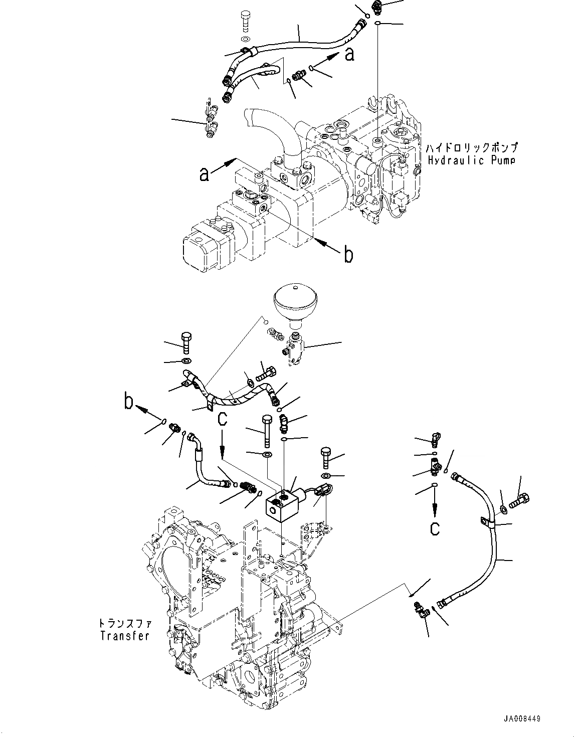
6
4
5
24
25
22
21
8
7
6
10
23
37
36
29
28
30
38
27
40
39
41
13
16
19
22
11
22
20
15
14
35
33
34
3
2
26
32
31
18
1
6
6
9
12
17
42
FIT
1:1
100%

Артикул

Название

Примечание

Количество

1

417-18-31111

Valve Assembly, Solenoid, Clutch

SN: 75750-UP

1шт.

2

01010-80870

Bolt

SN: 75750-UP

2шт.

3

01643-30823

Washer

SN: 75750-UP

2шт.

4

21W-62-43960

Elbow

SN: 75750-UP

1шт.

5

07002-11423

O-ring

SN: 75750-UP

1шт.

6

02896-11008

O-ring

SN: 75750-UP

4шт.

7

799-101-5220

Nipple

SN: 75750-UP

1шт.

8

07002-11023

O-ring

SN: 75750-UP

1шт.

9

418-18-31380

Hose

SN: 75750-UP

1шт.

10

02760-002A5

Hose, Face Seal Type

SN: 75750-UP

1шт.

11

418-18-41340

Hose

SN: 75750-UP

1шт.

12

08210-01204

Tube

SN: 75750-UP

1шт.

13

04434-51312

Clip

SN: 75750-UP

1шт.

14

01010-81225

Bolt

SN: 75750-UP

1шт.

15

01643-31232

Washer

SN: 75750-UP

1шт.

16

04434-51310

Clip

SN: 75750-UP

1шт.

17

01010-81020

Bolt

SN: 75750-UP

1шт.

18

01643-31032

Washer

SN: 75750-UP

1шт.

19

21W-62-43980

Elbow

SN: 75750-UP

1шт.

20

21W-62-43970

Elbow

SN: 75750-UP

1шт.

21

418-18-31111

Elbow

SN: 75750-UP

1шт.

22

07000-12011

O-ring

SN: 75750-UP

3шт.

23

04434-51210

Clip

SN: 75750-UP

1шт.

24

01010-81020

Bolt

SN: 75750-UP

1шт.

25

01643-31032

Washer

SN: 75750-UP

1шт.

26

600-051-2050

Clip

SN: 75750-UP

1шт.

27

07000-12011

O-ring

SN: 75750-UP

1шт.

28

418-T80-3281

Elbow

SN: 75750-UP

1шт.

29

02896-11009

O-ring

SN: 75750-UP

1шт.

30

04434-51612

Clip

SN: 75750-UP

1шт.

31

01010-81020

Bolt

SN: 75750-UP

1шт.

32

01643-31032

Washer

SN: 75750-UP

1шт.

33

02781-00210

Union

SN: 75750-UP

1шт.

34

07002-11423

O-ring

SN: 75750-UP

1шт.

35

02896-11008

O-ring

SN: 75750-UP

1шт.

36

418-18-41370

Hose

SN: 75750-UP

1шт.

37

418-18-41310

Hose

SN: 75750-UP

1шт.

38

02781-0031D

Nipple

SN: 75750-UP

1шт.

39

07002-11423

O-ring

SN: 75750-UP

1шт.

40

02896-11009

O-ring

SN: 75750-UP

1шт.

41

416-43-37420

Joint

SN: UP

-1шт.

|$41

416-43-37420

Joint

SN: UP

-1шт.

|$42

416-43-37420

Joint

SN: UP

-1шт.

42

418-62-34232

Tee

SN: UP

-1шт.

|$44

418-62-34232

Tee

SN: UP

-1шт.

|$45

418-62-34232

Tee

SN: UP

-1шт.

Выбрано товаров: 46