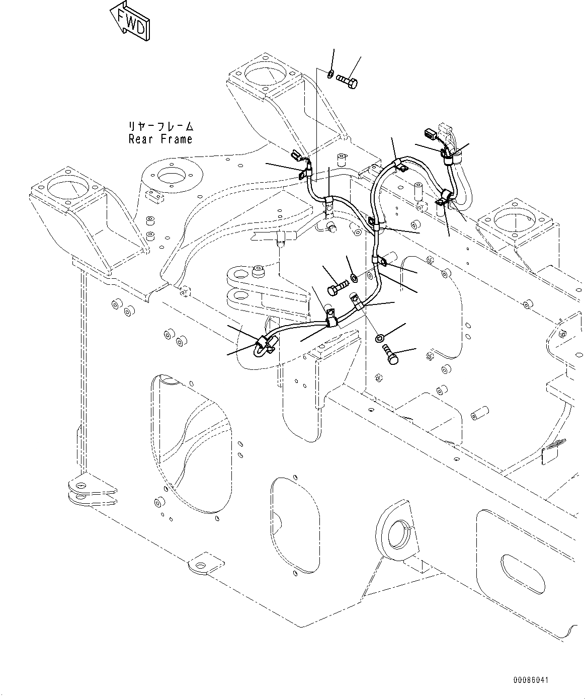
Запчасти Komatsu WA250PZ-6 ЗАДН. ЭЛЕКТРИЧ. ПРОВОДКА, ЭКСТРЕНН. РУЛЕВ. УПРАВЛЕНИЕ ПРОВОДКА (№77-) ЗАДН. ЭЛЕКТРИЧ. ПРОВОДКА, ДЛЯ СТРАН ЕС ARRANGEMENT

Схема запчастей Komatsu WA250PZ-6 - ЗАДН. ЭЛЕКТРИЧ. ПРОВОДКА, ЭКСТРЕНН. РУЛЕВ. УПРАВЛЕНИЕ ПРОВОДКА (№77-) ЗАДН. ЭЛЕКТРИЧ. ПРОВОДКА, ДЛЯ СТРАН ЕС ARRANGEMENT
2
1
1
2
3
4
5
6
7
8
2
2
2
2
2
3
4
4
3
4
3
5
6
FIT
1:1
100%

Артикул

Название

Примечание

Количество

1

418-06-42571

Wiring Harness

SN: 26540713-UP

1шт.

2

04434-51012

Clip

SN: 26540713-UP

6шт.

3

04434-51712

Clip

SN: 75750-UP

4шт.

4

07095-20211

Cushion

SN: 75750-UP

4шт.

5

01010-81020

Bolt

SN: 75750-UP

3шт.

6

01643-31032

Washer

SN: 75750-UP

3шт.

7

01010-81225

Bolt

SN: 75750-UP

1шт.

8

01643-31232

Washer

SN: 75750-UP

1шт.

Выбрано товаров: 8