Запчасти Komatsu WA250PZ-6 ЗАДН. ЭЛЕКТРИЧ. ПРОВОДКА, ЗАДН. ПРОВОДКА (№77-) ЗАДН. ЭЛЕКТРИЧ. ПРОВОДКА, С 9AMP. ГЕНЕРАТОР, ЭКСТРЕНН. РУЛЕВ. УПРАВЛЕНИЕ, АВТОМАТИЧ. УПРАВЛ-Е ТИП

Схема запчастей Komatsu WA250PZ-6 - ЗАДН. ЭЛЕКТРИЧ. ПРОВОДКА, ЗАДН. ПРОВОДКА (№77-) ЗАДН. ЭЛЕКТРИЧ. ПРОВОДКА, С 9AMP. ГЕНЕРАТОР, ЭКСТРЕНН. РУЛЕВ. УПРАВЛЕНИЕ, АВТОМАТИЧ. УПРАВЛ-Е ТИП
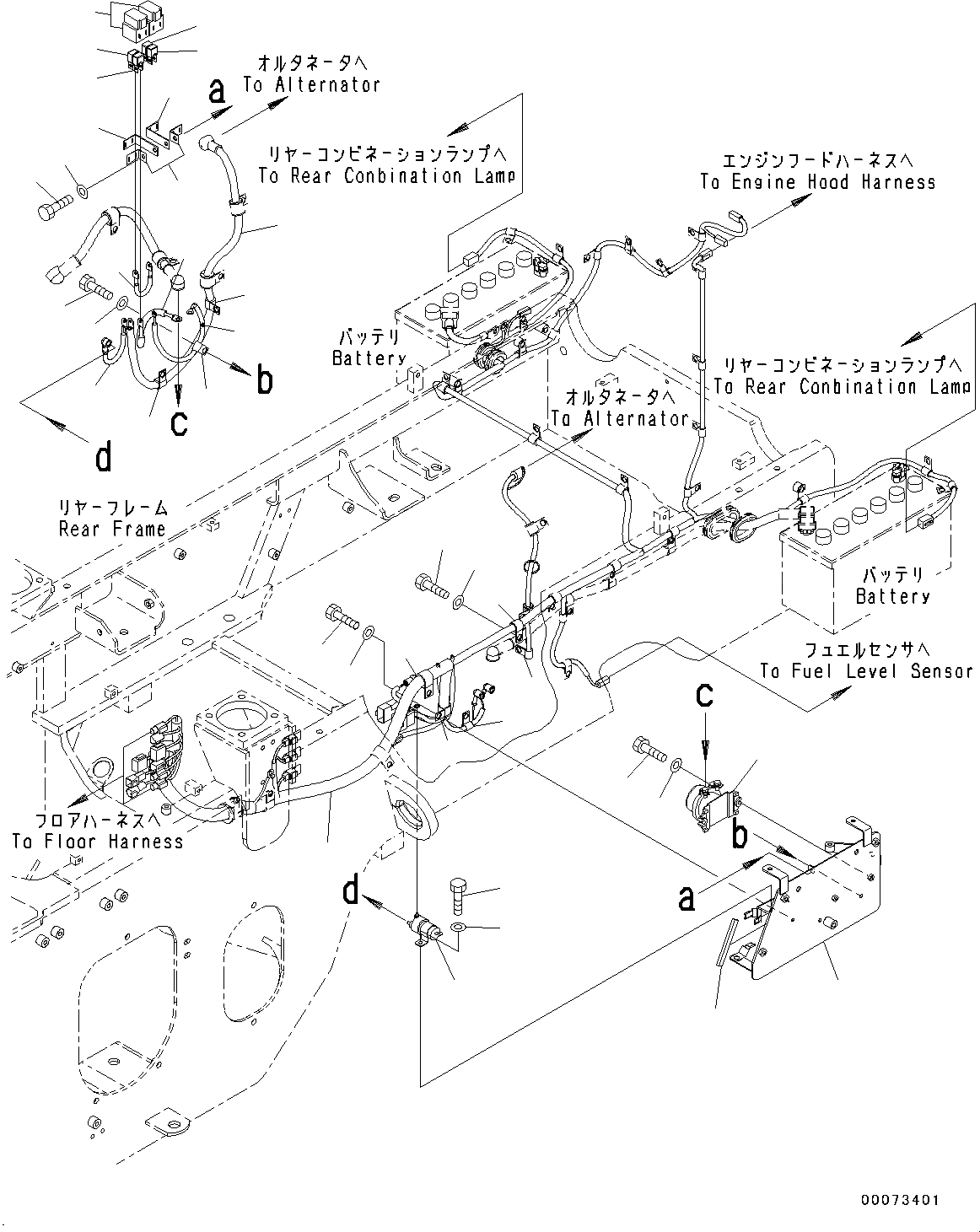
1
5
6
22
23
24
28
29
30
28
12
6
7
4
3
2
8
9
10
11
12
13
14
15
16
17
20
21
25
26
27
28
29
29
19
18
16
8
FIT
1:1
100%

Артикул

Название

Примечание

Количество

1

418-06-42411

Bracket

SN: 75750-UP

1шт.

2

418-06-42341

Wiring Harness

SN: 75750-UP

1шт.

|$2

21J-06-13661

Diode

SN: 75750-UP

3шт.

3

04434-52712

Clip

SN: 75750-UP

1шт.

4

04434-52512

Clip

SN: 75750-UP

1шт.

5

04434-51712

Clip

SN: 75750-UP

1шт.

6

04434-51012

Clip

SN: 75750-UP

2шт.

7

421-06-22880

Holder

SN: 75750-UP

2шт.

7

421-06-22990

Bolt

SN: 75750-UP

4шт.

8

421-06-22830

Fuse, 120Amp.

SN: 75750-UP

2шт.

9

421-06-22820

Fuse, 80Amp., Slow Blow

SN: 75750-UP

1шт.

10

417-06-22610

Fuse, 50Amp., Slow Blow

SN: 75750-UP

1шт.

11

421-06-22910

Bracket

SN: 75750-UP

2шт.

12

421-06-22920

Bracket

SN: 75750-UP

2шт.

13

01010-80820

Bolt

SN: 75750-UP

1шт.

14

01643-30823

Washer

SN: 75750-UP

1шт.

15

418-06-42750

Cable

SN: 75750-UP

1шт.

16

04434-51012

Clip

SN: 75750-UP

1шт.

17

418-06-42760

Cable

SN: 75750-UP

1шт.

18

418-Z91-4230

Cable

SN: 75750-UP

1шт.

19

418-944-4480

Cable

SN: 75750-UP

1шт.

20

04434-51412

Clip

SN: 75750-UP

2шт.

21

418-06-42770

Cable

SN: 75750-UP

1шт.

22

08088-30000

Switch, Battery Relay

SN: 75750-UP

1шт.

23

01010-80830

Bolt

SN: 75750-UP

2шт.

24

01643-30823

Washer

SN: 75750-UP

2шт.

25

600-815-2170

Switch, Heater

SN: 75750-UP

1шт.

26

01010-80616

Bolt

SN: 75750-UP

2шт.

27

01643-30623

Washer

SN: 75750-UP

2шт.

28

01010-81020

Bolt

SN: 75750-UP

6шт.

29

01643-31032

Washer

SN: 75750-UP

6шт.

30

23S-61-51310

Seal

SN: 75750-UP

1шт.

Выбрано товаров: 32