Запчасти Komatsu WA250PZ-6 ГИДРОЛИНИЯ, ГИДРОЦИЛИНДР ПОДЪЕМА ТРУБЫ (/) (№77-) ГИДРОЛИНИЯ, С JRB ТИП СОЕДИНИТ. УСТР-ВО, 3-Х СЕКЦИОНН. КОНТРОЛЬН. КЛАПАН, ШИР. СЕРДЦЕВИНА РАДИАТОР, ECSS, ЭКСТРЕНН. РУЛЕВ. УПРАВЛЕНИЕ, АВТОМАТИЧ. CO

Схема запчастей Komatsu WA250PZ-6 - ГИДРОЛИНИЯ, ГИДРОЦИЛИНДР ПОДЪЕМА ТРУБЫ (/) (№77-) ГИДРОЛИНИЯ, С JRB ТИП СОЕДИНИТ. УСТР-ВО, 3-Х СЕКЦИОНН. КОНТРОЛЬН. КЛАПАН, ШИР. СЕРДЦЕВИНА РАДИАТОР, ECSS, ЭКСТРЕНН. РУЛЕВ. УПРАВЛЕНИЕ, АВТОМАТИЧ. CO
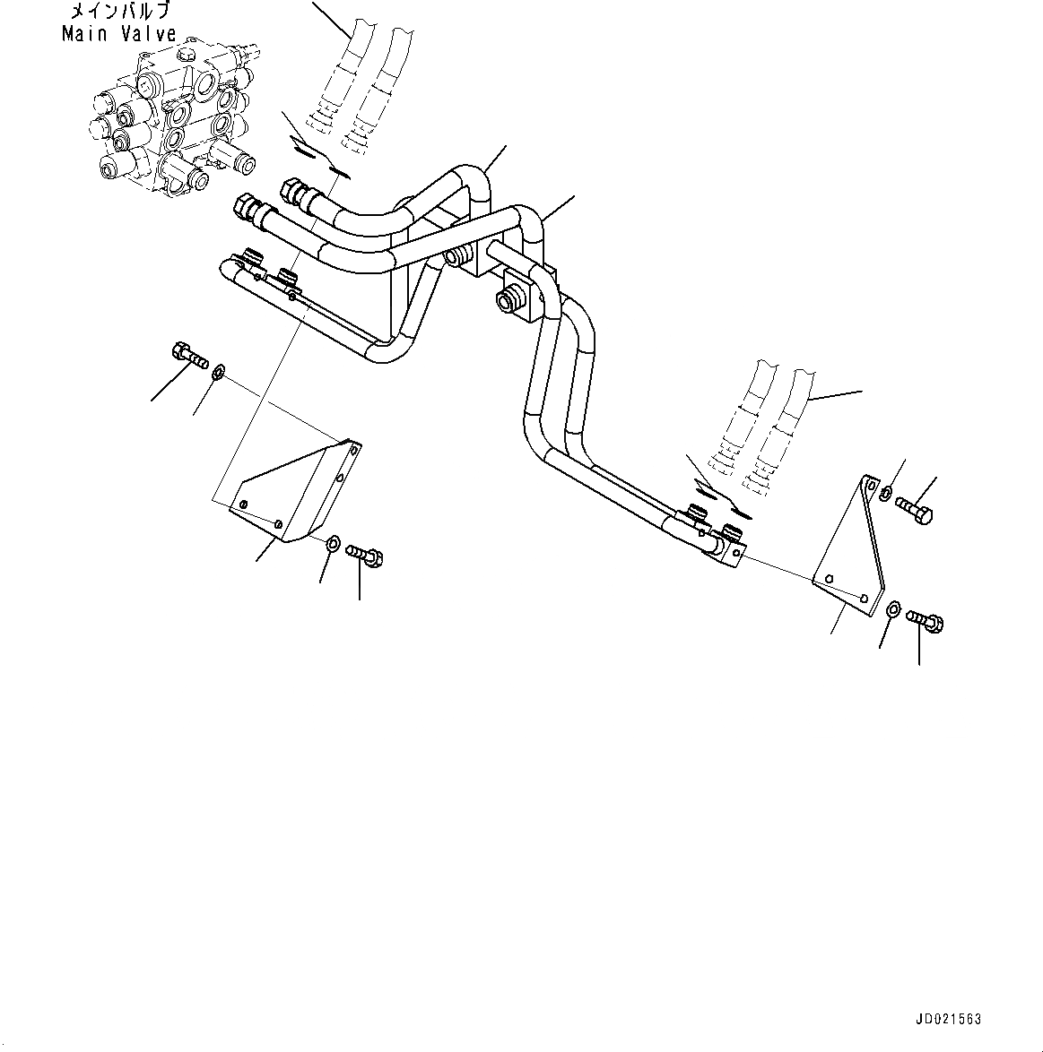
5
6
7
4
3
2
1
4
5
9
8
3
8
9
10
10
FIT
1:1
100%

Артикул

Название

Примечание

Количество

1

418-T80-4842

Tube

SN: 75750-UP

1шт.

2

418-T80-4852

Tube

SN: 75750-UP

1шт.

3

01010-81025

Bolt

SN: 75750-UP

4шт.

4

01643-31032

Washer

SN: 75750-UP

4шт.

5

02896-11018

O-ring

SN: 75750-UP

4шт.

6

418-U77-3770

Plate

SN: 75750-UP

1шт.

7

418-U77-3780

Plate

SN: 75750-UP

1шт.

8

01010-81025

Bolt

SN: 75750-UP

4шт.

9

01643-31032

Washer

SN: 75750-UP

4шт.

10

02756-00611

Hose

SN: UP

-1шт.

Выбрано товаров: 10