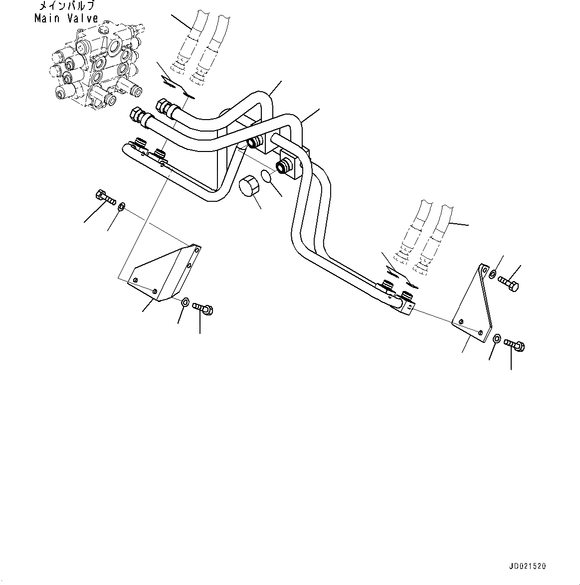
Запчасти Komatsu WA250PZ-6 ГИДРОЛИНИЯ, ГИДРОЦИЛИНДР ПОДЪЕМА ТРУБЫ (/) (№77-) ГИДРОЛИНИЯ, С JRB ТИП СОЕДИНИТ. УСТР-ВО, 3-Х СЕКЦИОНН. КОНТРОЛЬН. КЛАПАН, ШИР. СЕРДЦЕВИНА РАДИАТОР

Схема запчастей Komatsu WA250PZ-6 - ГИДРОЛИНИЯ, ГИДРОЦИЛИНДР ПОДЪЕМА ТРУБЫ (/) (№77-) ГИДРОЛИНИЯ, С JRB ТИП СОЕДИНИТ. УСТР-ВО, 3-Х СЕКЦИОНН. КОНТРОЛЬН. КЛАПАН, ШИР. СЕРДЦЕВИНА РАДИАТОР
7
8
9
6
5
4
3
2
1
6
7
11
10
5
10
11
12
12
FIT
1:1
100%

Артикул

Название

Примечание

Количество

1

418-T80-4842

Tube

SN: 75750-UP

1шт.

2

418-T80-4852

Tube

SN: 75750-UP

1шт.

3

418-62-31320

Nut

SN: 75750-UP

2шт.

4

11Y-62-11980

O-ring

SN: 75750-UP

2шт.

5

01010-81025

Bolt

SN: 75750-UP

4шт.

6

01643-31032

Washer

SN: 75750-UP

4шт.

7

02896-11018

O-ring

SN: 75750-UP

4шт.

8

418-U77-3770

Plate

SN: 75750-UP

1шт.

9

418-U77-3780

Plate

SN: 75750-UP

1шт.

10

01010-81025

Bolt

SN: 75750-UP

4шт.

11

01643-31032

Washer

SN: 75750-UP

4шт.

12

02756-00611

Hose

SN: UP

-1шт.

Выбрано товаров: 12