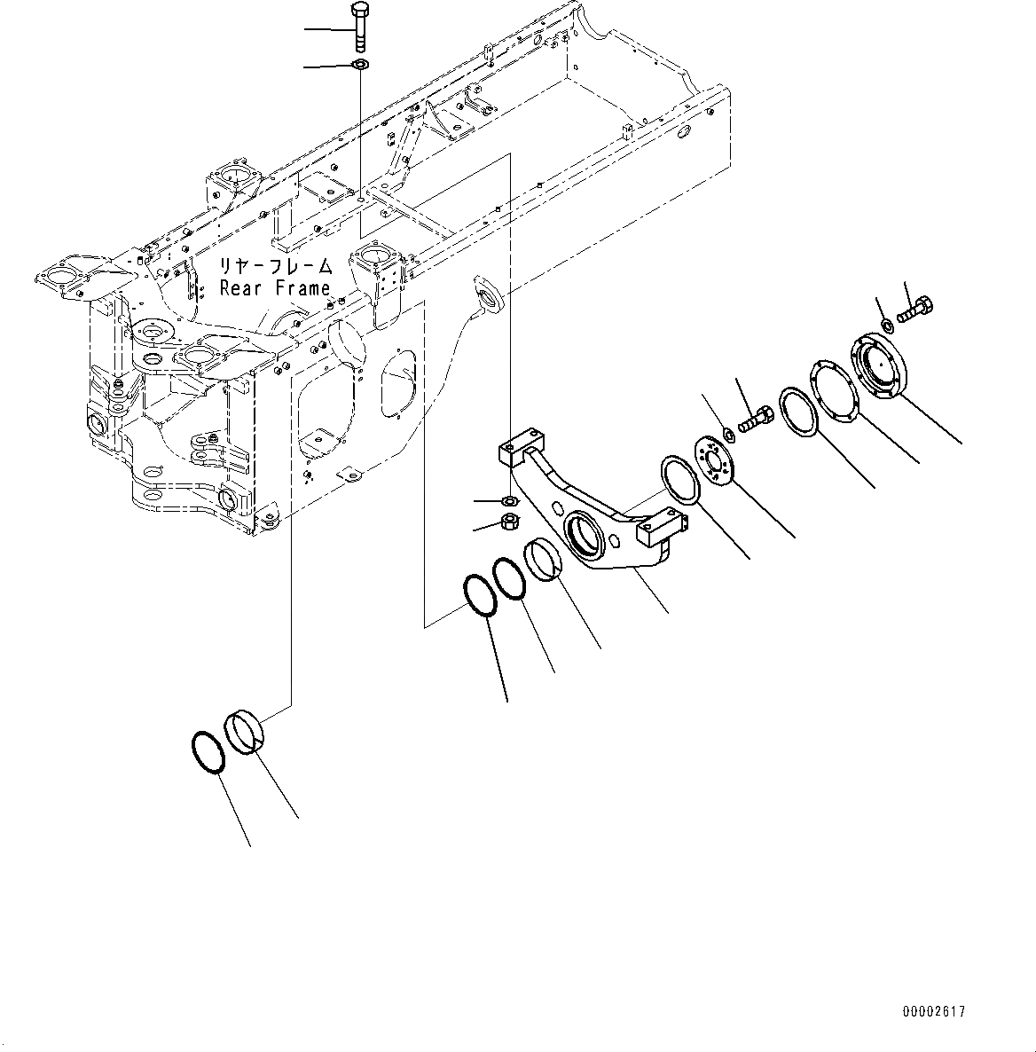
Запчасти Komatsu WA250PZ-6 СУППОРТ ЗАДНЕГО МОСТА(№77-) ЗАДН. МОСТ СУППОРТ

Схема запчастей Komatsu WA250PZ-6 - СУППОРТ ЗАДНЕГО МОСТА(№77-) ЗАДН. МОСТ СУППОРТ
13
12
13
9
8
1
11
5
11
10
2
4
3
6
7
14
15
15
16
FIT
1:1
100%

Артикул

Название

Примечание

Количество

1

418-46-37111

Support,Rear

SN: 75750-UP

1шт.

2

418-46-12131

Cover

SN: 75750-UP

1шт.

3

01010-61265

Bolt

SN: 75750-UP

8шт.

4

01643-31232

Washer

SN: 75750-UP

8шт.

5

418-46-12141

Plate

SN: 75750-UP

1шт.

6

01010-61250

Bolt

SN: 75750-UP

8шт.

7

01643-31232

Washer

SN: 75750-UP

8шт.

8

418-46-37130

Bushing

SN: 75750-UP

1шт.

9

421-46-15132

Packing

SN: 75750-UP

1шт.

10

418-46-12160

Shim, T=0.2mm

SN: 75750-UP

3шт.

11

418-46-17120

Washer

SN: 75750-UP

2шт.

12

418-46-37120

Bushing

SN: 75750-UP

1шт.

13

421-46-15132

Packing

SN: 75750-UP

2шт.

14

01011-62440

Bolt

SN: 75750-UP

4шт.

15

01643-32460

Washer

SN: 75750-UP

8шт.

16

01580-02419

Nut

SN: 75750-UP

4шт.

Выбрано товаров: 16