Запчасти Komatsu WA250PZ-6 УПРАВЛЕНИЕ ПОГРУЗКОЙ БЛОК, ЭЛЕКТРИЧ. ЧАСТИ (№77-) УПРАВЛЕНИЕ ПОГРУЗКОЙ БЛОК, С MULTI-FUNCTION MONO РЫЧАГ И -РЫЧАГ УПРАВЛ. НАВЕСН. ОБОРУД., СИСТЕМА ROPS

Схема запчастей Komatsu WA250PZ-6 - УПРАВЛЕНИЕ ПОГРУЗКОЙ БЛОК, ЭЛЕКТРИЧ. ЧАСТИ (№77-) УПРАВЛЕНИЕ ПОГРУЗКОЙ БЛОК, С MULTI-FUNCTION MONO РЫЧАГ И -РЫЧАГ УПРАВЛ. НАВЕСН. ОБОРУД., СИСТЕМА ROPS
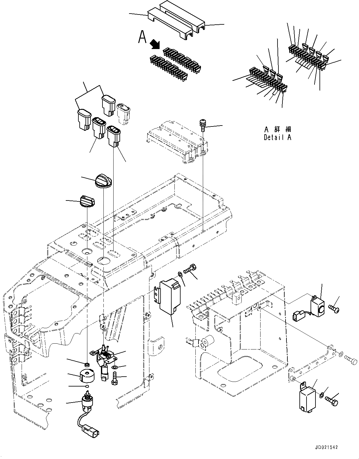
10
11
12
13
14
15
16
17
18
19
20
21
22
23
24
25
26
27
29
28
30
5
9
2
1
4
2
4
3
2
1
7
6
8
8
6
8
7
6
1
1
3
3
1
8
7
FIT
1:1
100%

Артикул

Название

Примечание

Количество

1

08041-01000

Fuse, 10Amp.

SN: 75750-UP

11шт.

2

08041-01500

Fuse, 15Amp.

SN: 75750-UP

3шт.

3

08041-02000

Fuse, 20Amp.

SN: 75750-UP

3шт.

4

08041-03000

Fuse, 30Amp.

SN: 75750-UP

2шт.

5

283-06-16120

Cover, Fuse Box 15Pole

SN: 75750-UP

1шт.

6

08041-00500

Fuse, 5Amp.

SN: 75750-UP

3шт.

7

08041-01000

Fuse, 10Amp.

SN: 75750-UP

10шт.

8

08041-02000

Fuse, 20Amp.

SN: 75750-UP

5шт.

9

283-06-16120

Cover, Fuse Box 15Pole

SN: 75750-UP

1шт.

10

01023-70520

Screw

SN: 75750-UP

4шт.

11

421-06-26220

Relay

SN: 75750-UP

1шт.

12

01010-80612

Bolt

SN: 75750-UP

2шт.

13

01643-30623

Washer

SN: 75750-UP

2шт.

14

23S-05-35320

Buzzer

SN: 75750-UP

1шт.

15

01023-70412

Screw

SN: 75750-UP

2шт.

16

421-06-36232

Switch

SN: 75750-UP

1шт.

17

421-06-36241

Knob

SN: 75750-UP

1шт.

18

416-06-22250

Flasher

SN: 75750-UP

1шт.

19

01010-80616

Bolt

SN: 75750-UP

1шт.

20

01643-30623

Washer

SN: 75750-UP

1шт.

21

426-06-33530

Switch, Traction Control

SN: 75750-UP

1шт.

22

20Y-06-42190

Cover

SN: 75750-UP

1шт.

23

22U-06-22420

Potentiometer Assembly

SN: 75750-UP

1шт.

24

22U-06-22470

Knob

SN: 75750-UP

1шт.

25

01010-80612

Bolt

SN: 75750-UP

2шт.

26

01643-30623

Washer

SN: 75750-UP

2шт.

27

20Y-06-42190

Cover

SN: 75750-UP

2шт.

28

416-54-32770

Cover

SN: 75750-UP

1шт.

29

416-54-32790

O-ring

SN: 75750-UP

1шт.

30

195-979-7290

Collar

SN: 75750-76082

1шт.

Выбрано товаров: 30