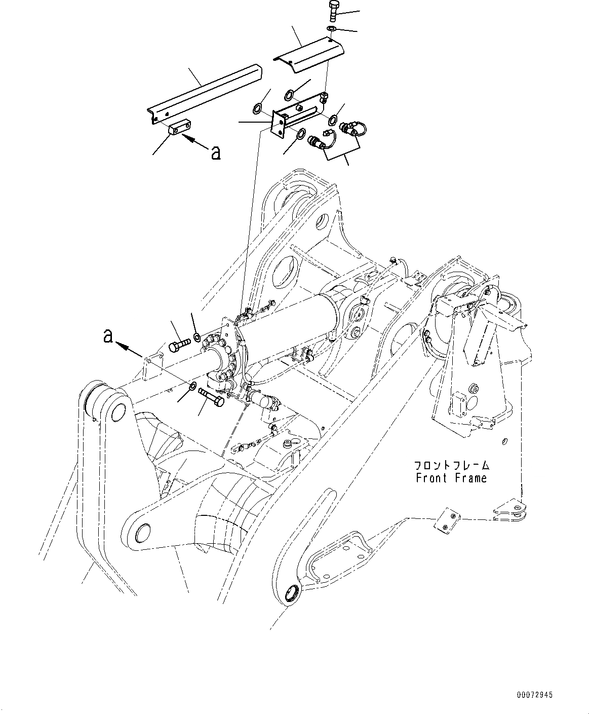
Запчасти Komatsu WA250PZ-6 ПОЗИЦИОНЕР КОВША(№77-) КОВШ ПОЗИЦИОНЕР, С MULTI-COUPLER

Схема запчастей Komatsu WA250PZ-6 - ПОЗИЦИОНЕР КОВША(№77-) КОВШ ПОЗИЦИОНЕР, С MULTI-COUPLER
5
1
2
2
3
2
8
7
4
11
10
12
6
9
2
FIT
1:1
100%

Артикул

Название

Примечание

Количество

1

56B-06-15610

Switch

SN: 75750-UP

2шт.

2

418-U77-3650

Washer

SN: 75750-UP

4шт.

3

418-U77-4414

Bracket

SN: 75750-UP

1шт.

4

01010-81230

Bolt

SN: 75750-UP

2шт.

5

01643-31232

Washer

SN: 75750-UP

2шт.

6

418-U77-4480

Plate

SN: 75750-UP

1шт.

7

01010-81020

Bolt

SN: 75750-UP

2шт.

8

01643-31032

Washer

SN: 75750-UP

2шт.

9

418-U77-4424

Plate

SN: 75750-UP

1шт.

10

01010-81255

Bolt

SN: 75750-UP

2шт.

11

01643-31232

Washer

SN: 75750-UP

2шт.

12

418-U77-4442

Block

SN: 75750-UP

1шт.

Выбрано товаров: 12