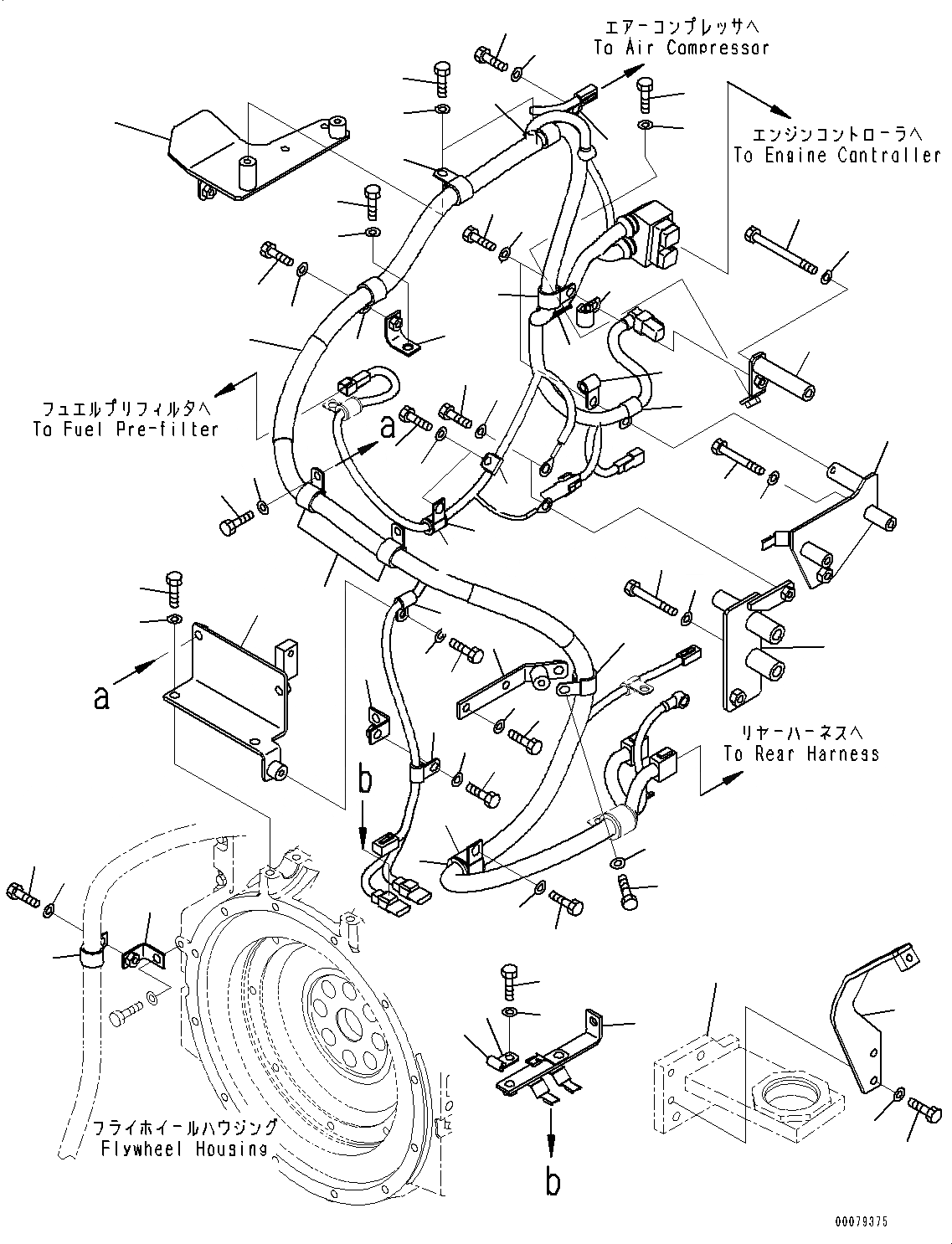
Запчасти Komatsu WA250PZ-6 ДВИГАТЕЛЬ ПРОВОДКА, ПРОВОДКА (№77-) ДВИГАТЕЛЬ ПРОВОДКА, С КОНДИЦИОНЕРОМ

Схема запчастей Komatsu WA250PZ-6 - ДВИГАТЕЛЬ ПРОВОДКА, ПРОВОДКА (№77-) ДВИГАТЕЛЬ ПРОВОДКА, С КОНДИЦИОНЕРОМ
42
22
21
42
43
43
43
1
42
2
3
4
5
6
7
8
9
10
11
12
13
14
15
16
17
18
19
20
42
23
24
25
26
27
28
29
30
31
32
33
34
35
36
37
38
39
40
53
54
55
41
42
43
47
46
49
50
42
43
45
43
42
43
42
43
43
42
43
42
42
43
48
44
51
52
56
FIT
1:1
100%

Артикул

Название

Примечание

Количество

1

418-06-42351

Wiring Harness

SN: 75750-UP

1шт.

|$1

21J-06-13661

Diode

SN: 75750-UP

2шт.

2

04434-53212

Clip

SN: 75750-UP

1шт.

3

07095-20523

Cushion

SN: 75750-UP

1шт.

4

01010-81225

Bolt

SN: 75750-UP

1шт.

5

01643-31232

Washer

SN: 75750-UP

1шт.

6

418-06-42521

Bracket

SN: 75750-UP

1шт.

7

01010-81020

Bolt

SN: 75750-UP

2шт.

8

01643-31032

Washer

SN: 75750-UP

2шт.

9

600-051-2240

Clip

SN: 75750-UP

1шт.

10

600-051-2140

Clip

SN: 75750-UP

1шт.

11

42A-16-11210

Plate

SN: 75750-UP

1шт.

12

600-051-2140

Clip

SN: 75750-UP

1шт.

13

418-06-42540

Bracket

SN: 75750-UP

1шт.

14

04434-51712

Clip

SN: 75750-UP

1шт.

15

07095-20211

Cushion

SN: 75750-UP

1шт.

16

418-06-42510

Bracket

SN: 75750-UP

1шт.

17

01010-81030

Bolt

SN: 75750-UP

2шт.

18

01643-31032

Washer

SN: 75750-UP

2шт.

19

600-051-2240

Clip

SN: 75750-UP

2шт.

20

20Y-04-11230

Bracket

SN: 75750-UP

1шт.

21

01010-81235

Bolt

SN: 75750-UP

1шт.

22

01643-31232

Washer

SN: 75750-UP

1шт.

23

600-051-2240

Clip

SN: 75750-UP

1шт.

24

418-06-42560

Bracket

SN: 75750-UP

1шт.

25

600-051-2240

Clip

SN: 75750-UP

1шт.

26

600-051-2200

Clip

SN: 75750-UP

1шт.

27

423-06-42540

Bracket

SN: 75750-UP

1шт.

28

6132-11-4690

Bolt

SN: 75750-UP

1шт.

29

01643-30823

Washer

SN: 75750-UP

1шт.

30

600-051-2200

Clip

SN: 75750-UP

1шт.

31

600-051-2140

Clip

SN: 75750-UP

1шт.

32

600-051-2180

Clip

SN: 75750-UP

1шт.

33

600-051-2100

Clip

SN: 75750-UP

1шт.

34

600-051-2100

Clip

SN: 75750-UP

1шт.

35

418-06-42530

Bracket

SN: 75750-UP

1шт.

36

01010-80860

Bolt

SN: 75750-UP

2шт.

37

01643-30823

Washer

SN: 75750-UP

2шт.

38

600-051-2140

Clip

SN: 75750-UP

1шт.

39

600-051-2100

Clip

SN: 75750-UP

1шт.

40

04434-51612

Clip

SN: 75750-UP

1шт.

41

07095-20211

Cushion

SN: 75750-UP

1шт.

42

01010-81020

Bolt

SN: 75750-UP

15шт.

43

01643-31032

Washer

SN: 75750-UP

15шт.

44

01010-81220

Bolt

SN: 75750-UP

2шт.

45

01643-31232

Washer

SN: 75750-UP

2шт.

46

418-06-42420

Bracket

SN: 75750-UP

1шт.

47

01010-81020

Bolt

SN: 75750-UP

2шт.

48

01643-31032

Washer

SN: 75750-UP

2шт.

49

42A-16-11210

Plate

SN: 75750-UP

1шт.

50

04434-52310

Clip

SN: 75750-UP

1шт.

51

01010-81020

Bolt

SN: 75750-UP

1шт.

52

01643-31032

Washer

SN: 75750-UP

1шт.

53

418-03-43810

Bracket

SN: 75750-UP

1шт.

54

01010-81270

Bolt

SN: 75750-UP

2шт.

55

01643-31232

Washer

SN: 75750-UP

2шт.

56

418-01-41120

Bracket

SN: UP

-1шт.

Выбрано товаров: 57