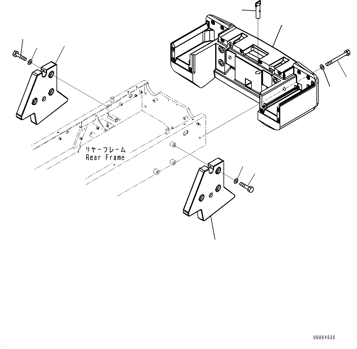
Запчасти Komatsu WA250PZ-6 ПРОТИВОВЕС, ВЕС И ПАЛЕЦ (№77-) ПРОТИВОВЕС, БЕЗ СОЕДИНИТ. УСТР-ВО

Схема запчастей Komatsu WA250PZ-6 - ПРОТИВОВЕС, ВЕС И ПАЛЕЦ (№77-) ПРОТИВОВЕС, БЕЗ СОЕДИНИТ. УСТР-ВО
5
6
7
4
3
2
1
1
2
3
FIT
1:1
100%

Артикул

Название

Примечание

Количество

1

418-T80-4952

Weight

SN: 75750-UP

2шт.

2

01010-62065

Bolt

SN: 75750-UP

6шт.

3

01643-32060

Washer

SN: 75750-UP

6шт.

4

418-46-45211

Counterweight

SN: 75750-UP

1шт.

5

01011-62480

Bolt

SN: 75750-UP

4шт.

6

01643-32460

Washer

SN: 75750-UP

4шт.

7

418-46-35140

Pin

SN: 75750-UP

1шт.

Выбрано товаров: 7