Запчасти Komatsu WA250PZ-6 КЛАПАН УПРАВЛЕНИЯ ПОВОРОТОМ, ТРУБЫ (№77-) КЛАПАН УПРАВЛЕНИЯ ПОВОРОТОМ, С ЭКСТРЕНН. УПРАВЛ., АВТОМАТИЧ. УПРАВЛ-Е ТИП

Схема запчастей Komatsu WA250PZ-6 - КЛАПАН УПРАВЛЕНИЯ ПОВОРОТОМ, ТРУБЫ (№77-) КЛАПАН УПРАВЛЕНИЯ ПОВОРОТОМ, С ЭКСТРЕНН. УПРАВЛ., АВТОМАТИЧ. УПРАВЛ-Е ТИП
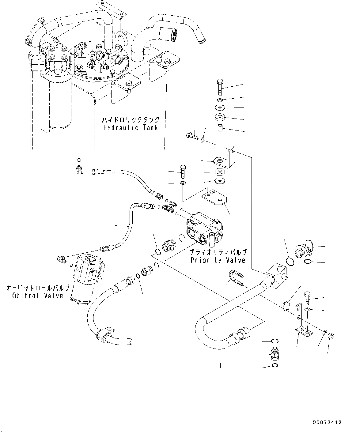
1
2
3
4
5
6
7
10
9
8
11
12
13
14
15
16
17
18
19
20
21
22
23
24
25
26
27
28
23
15
FIT
1:1
100%

Артикул

Название

Примечание

Количество

1

418-62-42430

Hose

SN: 75750-UP

1шт.

2

418-62-32322

Tube

SN: 75750-UP

1шт.

3

418-62-31950

Plate

SN: 75750-UP

1шт.

4

01010-81225

Bolt

SN: 75750-UP

1шт.

5

01643-31232

Washer

SN: 75750-UP

1шт.

6

07283-33450

Clip

SN: 75750-UP

1шт.

7

07283-53444

Seat

SN: 75750-UP

1шт.

8

01597-01009

Nut

SN: 75750-UP

2шт.

9

01643-31032

Washer

SN: 75750-UP

2шт.

10

418-64-35530

Plate

SN: 75750-UP

1шт.

11

01010-81025

Bolt

SN: 75750-UP

2шт.

12

01643-31032

Washer

SN: 75750-UP

2шт.

13

02896-11015

O-ring

SN: 75750-UP

1шт.

14

02896-11018

O-ring

SN: 75750-UP

1шт.

15

11Y-62-11980

O-ring

SN: 75750-UP

2шт.

16

21W-62-42640

Elbow

SN: 75750-UP

1шт.

17

07002-13334

O-ring

SN: 75750-UP

1шт.

18

02781-00628

Union

SN: 75750-UP

1шт.

19

07002-12434

O-ring

SN: 75750-UP

1шт.

20

418-64-35550

Plate

SN: 75750-UP

1шт.

21

01010-81025

Bolt

SN: 75750-UP

2шт.

22

01643-31032

Washer

SN: 75750-UP

2шт.

23

419-43-17920

Washer

SN: 75750-UP

2шт.

24

419-43-17930

Cushion

SN: 75750-UP

1шт.

25

417-62-13620

Cushion

SN: 75750-UP

1шт.

26

417-54-13470

Spacer

SN: 75750-UP

1шт.

27

01010-81255

Bolt

SN: 75750-UP

1шт.

28

01643-31232

Washer

SN: 75750-UP

1шт.

Выбрано товаров: 28