Запчасти Komatsu WA250PZ-6 УДАЛЕНН. СИСТ. СМАЗКИ ТРУБКА, ЦИЛИНДР РУЛЕВ. УПР-Я ПАЛЕЦ ТРУБЫ И СОЕДИНИТЕЛЬН. ЗВЕНО КРЫШКА(№77-) УДАЛЕНН. СИСТ. СМАЗКИ ТРУБКА, С АВТОМАТИЧ.-СИСТ. СМАЗКИ СИСТЕМА

Схема запчастей Komatsu WA250PZ-6 - УДАЛЕНН. СИСТ. СМАЗКИ ТРУБКА, ЦИЛИНДР РУЛЕВ. УПР-Я ПАЛЕЦ ТРУБЫ И СОЕДИНИТЕЛЬН. ЗВЕНО КРЫШКА(№77-) УДАЛЕНН. СИСТ. СМАЗКИ ТРУБКА, С АВТОМАТИЧ.-СИСТ. СМАЗКИ СИСТЕМА
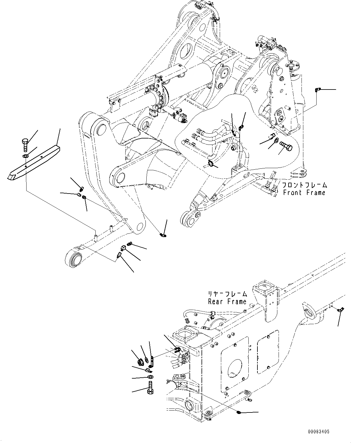
2
11
12
13
3
15
16
17
18
19
20
21
22
23
14
10
9
8
7
6
5
2
4
24
1
24
FIT
1:1
100%

Артикул

Название

Примечание

Количество

1

418-S95-4430

Elbow

SN: 75750-UP

1шт.

2

418-S95-4430

Elbow

SN: 75750-UP

2шт.

3

418-S95-4430

Elbow

SN: 75750-UP

1шт.

4

418-S95-4440

Elbow

SN: 75750-UP

1шт.

5

418-S95-4560

Bracket

SN: 75750-UP

1шт.

6

04435-51210

Clip

SN: 75750-UP

1шт.

7

01010-81020

Bolt

SN: 75750-UP

1шт.

8

01643-31032

Washer

SN: 75750-UP

1шт.

9

07283-32236

Clip, Pipe

SN: 75750-UP

1шт.

10

01597-01009

Nut

SN: 75750-UP

2шт.

11

04434-52110

Clip

SN: 75750-UP

1шт.

12

01010-81020

Bolt

SN: 75750-UP

1шт.

13

01643-31032

Washer

SN: 75750-UP

1шт.

14

01643-30623

Washer

SN: 75750-UP

2шт.

15

418-T91-4530

Cover, Link

SN: 75750-UP

1шт.

16

01010-81020

Bolt

SN: 75750-UP

2шт.

17

01643-31032

Washer

SN: 75750-UP

2шт.

18

418-S95-4550

Connector

SN: 75750-UP

2шт.

19

419-T91-4270

Elbow

SN: 75750-UP

1шт.

20

203-70-56570

Nipple

SN: 75750-UP

1шт.

21

421-S95-7680

Joint

SN: 75750-UP

1шт.

22

423-S95-7630

Elbow

SN: 75750-UP

1шт.

23

419-09-H2780

Connector

SN: 75750-UP

1шт.

24

08034-20536

Band

SN: 75750-UP

2шт.

Выбрано товаров: 0