Запчасти Komatsu WA250PZ-6 УПРАВЛЕНИЕ ПОГРУЗКОЙ БЛОК, KOMTRAX И РЕЛЕ (№77-) УПРАВЛЕНИЕ ПОГРУЗКОЙ БЛОК, С MULTI-FUNCTION MONO РЫЧАГ И -РЫЧАГ УПРАВЛ. НАВЕСН. ОБОРУД., MULTI-COUPLER, KOMTRAX

Схема запчастей Komatsu WA250PZ-6 - УПРАВЛЕНИЕ ПОГРУЗКОЙ БЛОК, KOMTRAX И РЕЛЕ (№77-) УПРАВЛЕНИЕ ПОГРУЗКОЙ БЛОК, С MULTI-FUNCTION MONO РЫЧАГ И -РЫЧАГ УПРАВЛ. НАВЕСН. ОБОРУД., MULTI-COUPLER, KOMTRAX
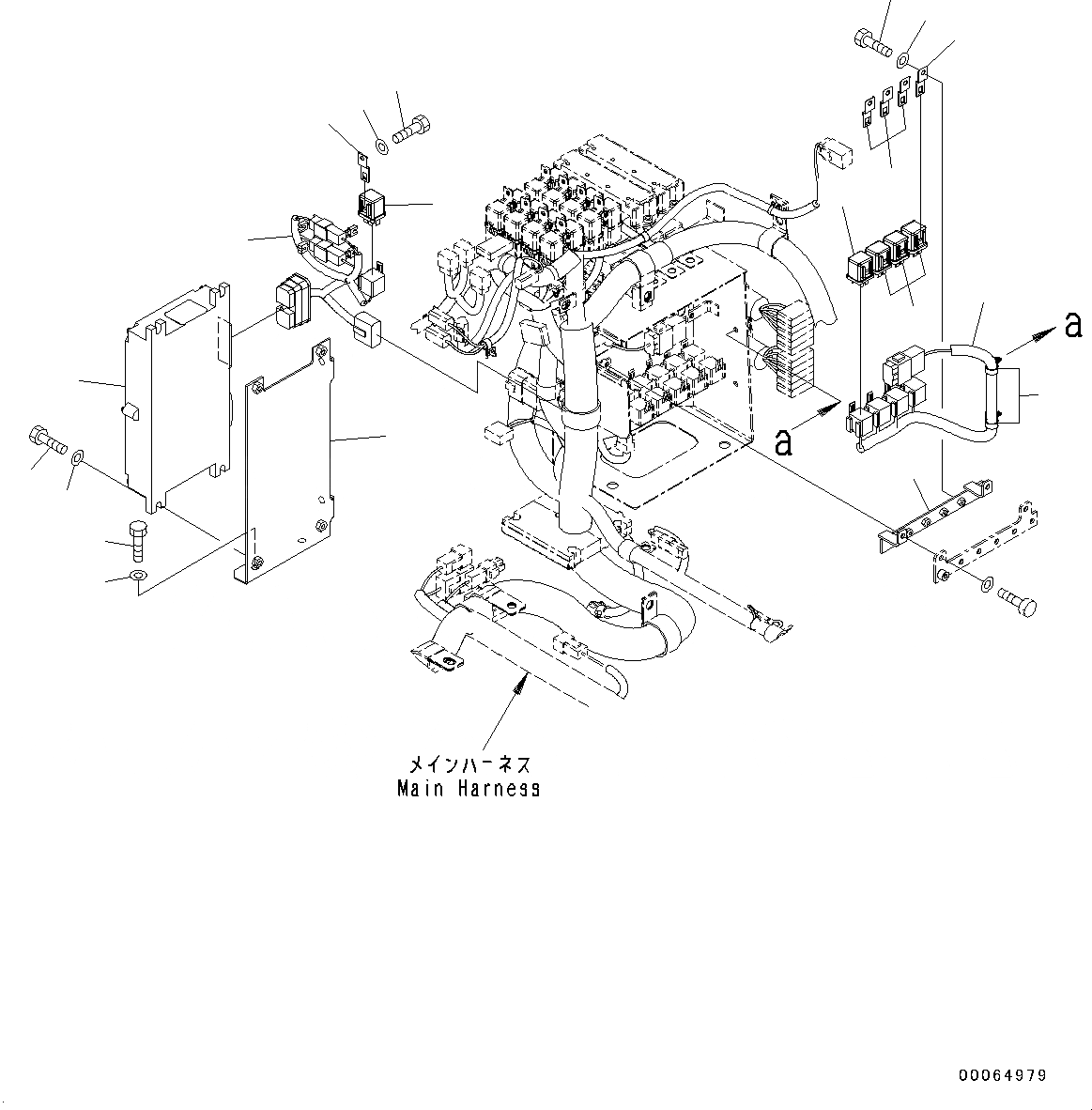
1
2
3
4
7
8
10
11
9
12
14
15
16
17
18
19
5
6
13
17
FIT
1:1
100%

Артикул

Название

Примечание

Количество

1

7826-20-7038

Controller, KOMTRAX

SN: 77270-UP

1шт.

1

7826-20-7037

Controller

SN: 75750-77269

1шт.

2

01010-80825

Bolt

SN: 75750-UP

4шт.

3

01643-30823

Washer

SN: 75750-UP

4шт.

4

419-54-42680

Bracket

SN: 75750-UP

1шт.

5

01010-80816

Bolt

SN: 75750-UP

4шт.

6

01643-30823

Washer

SN: 75750-UP

4шт.

7

418-06-41391

Wiring Harness

SN: 75750-UP

1шт.

8

569-06-61960

Relay

SN: 75750-UP

1шт.

9

287-06-16420

Bracket

SN: 75750-UP

1шт.

10

01010-80610

Bolt

SN: 75750-UP

1шт.

11

01643-30623

Washer

SN: 75750-UP

1шт.

12

418-06-42130

Wiring Harness

SN: 75750-UP

1шт.

13

08059-00310

Clip

SN: 75750-UP

2шт.

14

418-54-43110

Bracket

SN: 75750-UP

1шт.

15

569-06-61960

Relay

SN: 75750-UP

3шт.

16

569-06-61970

Relay

SN: 75750-UP

1шт.

17

287-06-16420

Bracket

SN: 75750-UP

4шт.

18

01010-80616

Bolt

SN: 75750-UP

4шт.

19

01643-30623

Washer

SN: 75750-UP

4шт.

Выбрано товаров: 20