Запчасти Komatsu WA250PZ-6 ПОЗИЦИОНЕР КОВША(№77-) КОВШ ПОЗИЦИОНЕР, БЕЗ АВТОМАТИЧ. РЕВЕРСИВН. ВЕНТИЛЯТОР ОХЛАЖДЕНИЯ

Схема запчастей Komatsu WA250PZ-6 - ПОЗИЦИОНЕР КОВША(№77-) КОВШ ПОЗИЦИОНЕР, БЕЗ АВТОМАТИЧ. РЕВЕРСИВН. ВЕНТИЛЯТОР ОХЛАЖДЕНИЯ
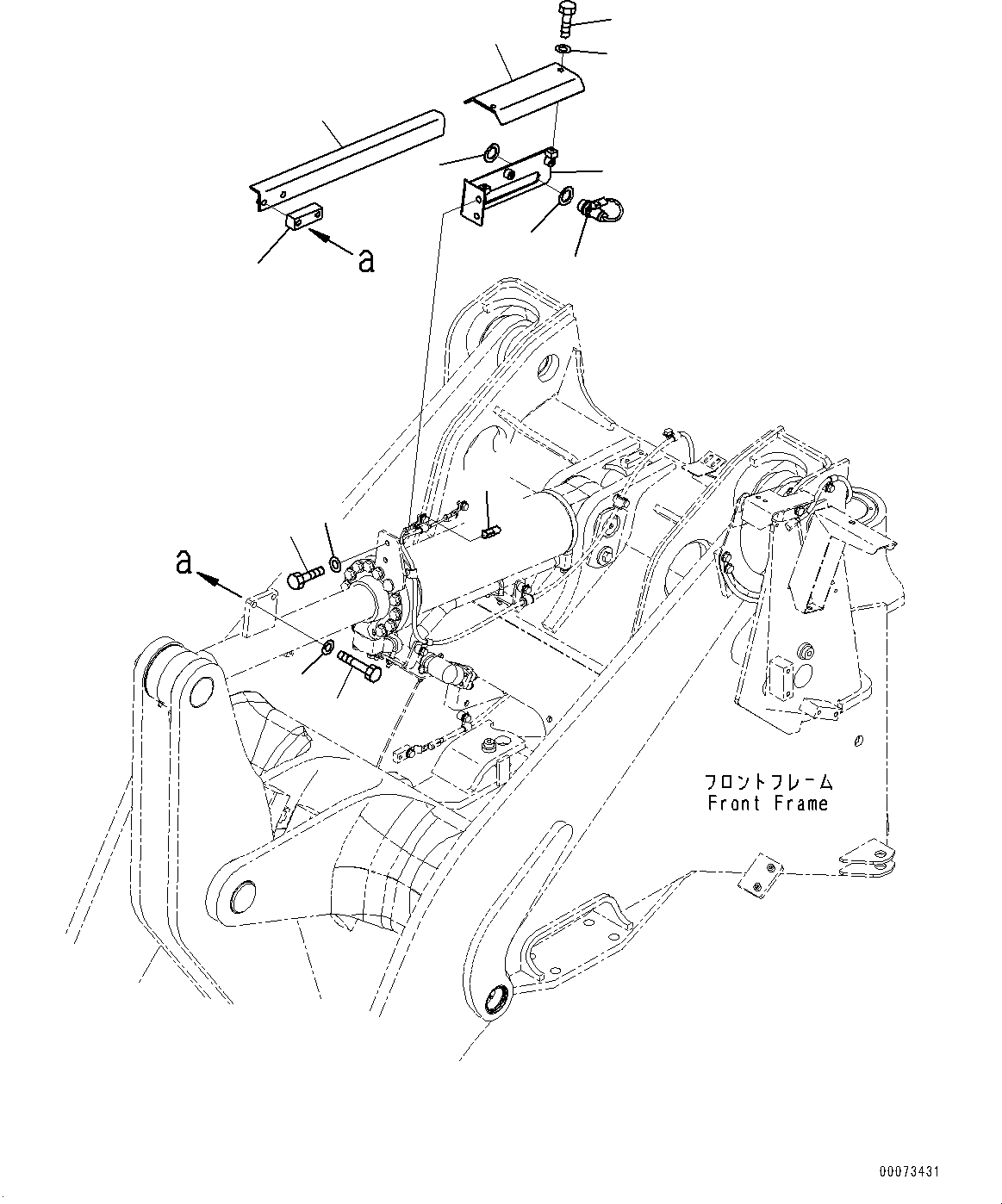
5
1
2
3
8
7
4
12
11
13
6
10
2
9
FIT
1:1
100%

Артикул

Название

Примечание

Количество

1

56B-06-15610

Switch

SN: 75750-UP

1шт.

2

418-U77-3650

Washer

SN: 75750-UP

2шт.

3

418-U77-4414

Bracket

SN: 75750-UP

1шт.

4

01010-81230

Bolt

SN: 75750-UP

2шт.

5

01643-31232

Washer

SN: 75750-UP

2шт.

6

418-U77-4480

Plate

SN: 75750-UP

1шт.

7

01010-81020

Bolt

SN: 75750-UP

2шт.

8

01643-31032

Washer

SN: 75750-UP

2шт.

9

23C-06-51440

Connector

SN: 75750-UP

1шт.

10

418-U77-4424

Plate

SN: 75750-UP

1шт.

11

01010-81255

Bolt

SN: 75750-UP

2шт.

12

01643-31232

Washer

SN: 75750-UP

2шт.

13

418-U77-4442

Block

SN: 75750-UP

1шт.

Выбрано товаров: 0