Запчасти Komatsu WA250PZ-6 ЗАДН. ЭЛЕКТРИЧ. Э/ПРОВОДКА (ЭКСТРЕНН. РУЛЕВ. УПРАВЛЕНИЕ ЭЛЕКТРОПРОВОДКА) E ЭЛЕКТРИКА

Схема запчастей Komatsu WA250PZ-6 - ЗАДН. ЭЛЕКТРИЧ. Э/ПРОВОДКА (ЭКСТРЕНН. РУЛЕВ. УПРАВЛЕНИЕ ЭЛЕКТРОПРОВОДКА) E ЭЛЕКТРИКА
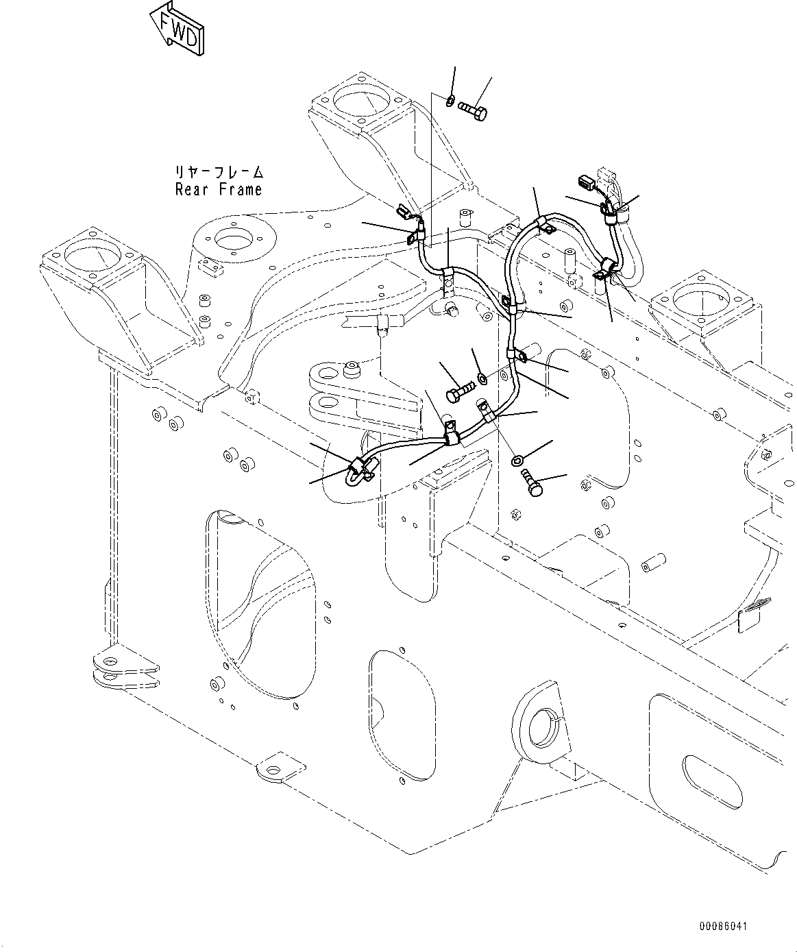
1
2
3
4
5
6
7
8
2
2
2
2
2
3
4
4
3
4
3
5
6
FIT
1:1
100%

Артикул

Название

Примечание

Количество

1

418-06-42571

WIRING HARNESS

SN: H00051-UP

1шт.

2

04434-51012

CLIP

SN: H00051-UP

6шт.

3

04434-51712

CLIP

SN: H00051-UP

4шт.

4

07095-20211

CUSHION

SN: H00051-UP

4шт.

5

01010-81020

BOLT

SN: H00051-UP

3шт.

6

01643-31032

WASHER

SN: H00051-UP

3шт.

7

01010-81225

BOLT

SN: H00051-UP

1шт.

8

01643-31232

WASHER

SN: H00051-UP

1шт.

Выбрано товаров: 0