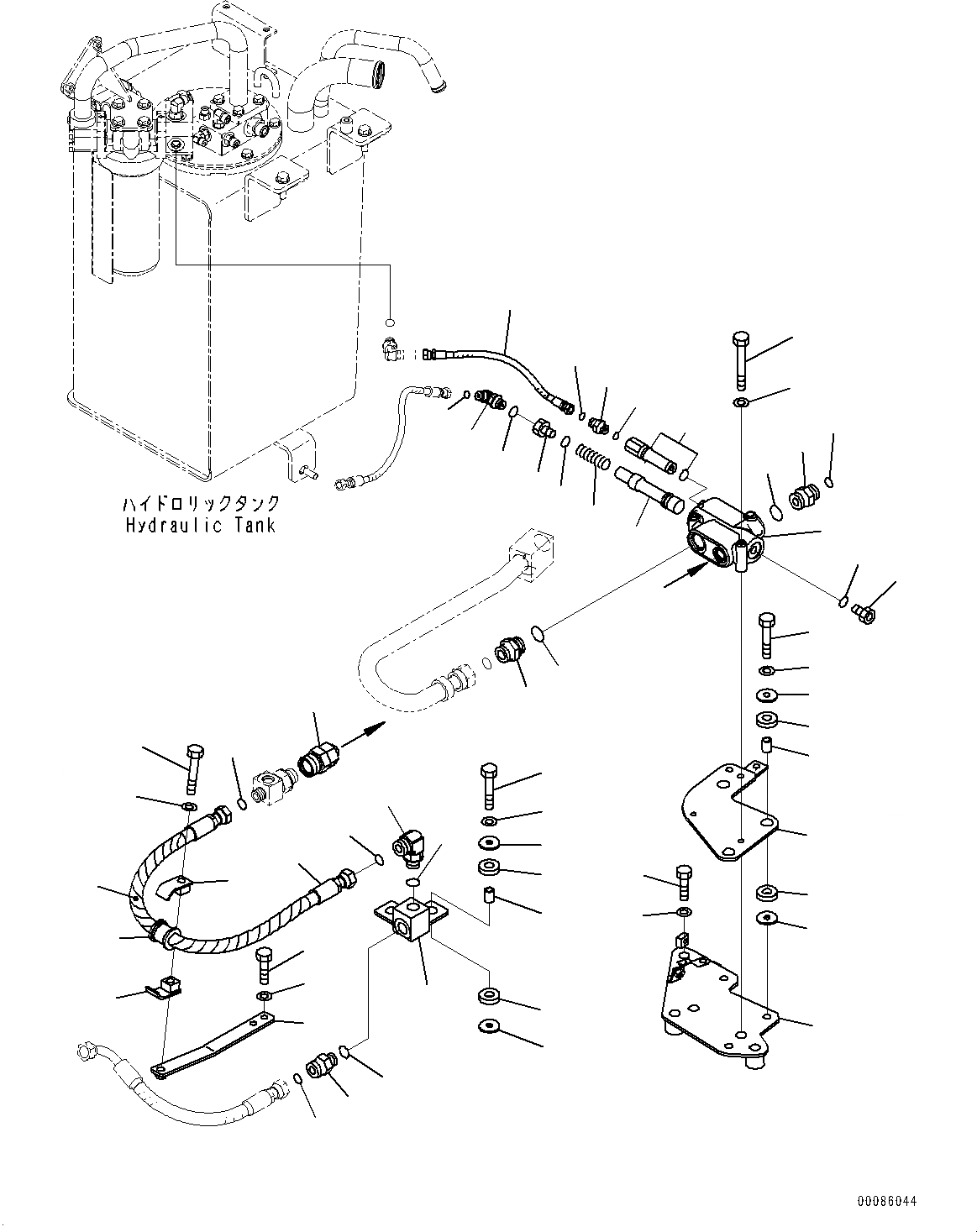
Запчасти Komatsu WA250PZ-6 КЛАПАН УПРАВЛЕНИЯ ПОВОРОТОМ (УПРАВЛЯЮЩ. КЛАПАН - ГИДР. БАК. КОНТУР) H ГИДРАВЛИКА

Схема запчастей Komatsu WA250PZ-6 - КЛАПАН УПРАВЛЕНИЯ ПОВОРОТОМ (УПРАВЛЯЮЩ. КЛАПАН - ГИДР. БАК. КОНТУР) H ГИДРАВЛИКА
14
34
42
41
30
12
51
15
35
32
7
27
19
29
40
32
25
38
50
48
47
39
53
37
33
31
22
36
10
8
9
13
15
16
17
11
37
6
1
26
46
43
44
4
25
28
52
49
27
45
18
24
3
2
23
5
6
20
21
a
a
FIT
1:1
100%

Артикул

Название

Примечание

Количество

|$1

418-64-25300

VALVE ASSEMBLY

SN: H00051-UP

1шт.

1

0

HOUSING

SN: H00051-UP

1шт.

2

418-64-25320

SPOOL

SN: H00051-UP

1шт.

3

416-64-15230

SPRING

SN: H00051-UP

1шт.

4

417-64-25330

VALVE ASSEMBLY

SN: H00051-UP

1шт.

5

418-64-25330

PLUG

SN: H00051-UP

1шт.

6

416-64-15260

O-RING

SN: H00051-UP

2шт.

7

416-64-15270

PLUG

SN: H00051-UP

1шт.

8

418-64-45510

BRACKET

SN: H00051-UP

1шт.

9

01010-81665

BOLT

SN: H00051-UP

3шт.

10

01643-31645

WASHER

SN: H00051-UP

3шт.

11

418-64-35524

BRACKET

SN: H00051-UP

1шт.

12

419-43-17930

CUSHION

SN: H00051-UP

3шт.

13

417-62-13620

CUSHION

SN: H00051-UP

3шт.

14

417-54-13470

SPACER

SN: H00051-UP

3шт.

15

419-43-17920

WASHER

SN: H00051-UP

6шт.

16

01010-81255

BOLT

SN: H00051-UP

3шт.

17

01643-31232

WASHER

SN: H00051-UP

3шт.

18

01010-80885

BOLT

SN: H00051-UP

2шт.

19

01643-30823

WASHER

SN: H00051-UP

2шт.

20

418-62-41980

HOSE

SN: H00051-UP

1шт.

21

08210-01803

TUBE, SPIRAL

SN: H00051-UP

1шт.

22

418-62-32162

ELBOW

SN: H00051-UP

1шт.

23

416-62-11480

O-RING

SN: H00051-UP

1шт.

24

02896-11008

O-RING

SN: H00051-UP

1шт.

25

02896-11015

O-RING

SN: H00051-UP

2шт.

26

02782-10516

ELBOW

SN: H00051-UP

1шт.

27

07002-12034

O-RING

SN: H00051-UP

2шт.

28

418-62-41920

BLOCK

SN: H00051-UP

1шт.

29

02781-00516

UNION

SN: H00051-UP

1шт.

30

417-62-13620

CUSHION

SN: H00051-UP

2шт.

31

419-43-17930

CUSHION

SN: H00051-UP

2шт.

32

415-64-13120

WASHER

SN: H00051-UP

4шт.

33

417-54-13470

SPACER

SN: H00051-UP

2шт.

34

01010-81050

BOLT

SN: H00051-UP

2шт.

35

01643-31032

WASHER

SN: H00051-UP

2шт.

36

418-62-41960

BRACKET

SN: H00051-UP

1шт.

37

07094-10518

CLIP

SN: H00051-UP

2шт.

38

07095-00523

CUSHION

SN: H00051-UP

1шт.

39

01010-81270

BOLT

SN: H00051-UP

1шт.

40

01643-31232

WASHER

SN: H00051-UP

1шт.

41

01010-81025

BOLT

SN: H00051-UP

2шт.

42

01643-31032

WASHER

SN: H00051-UP

2шт.

43

418-62-32110

NIPPLE

SN: H00051-UP

1шт.

44

416-62-11480

O-RING

SN: H00051-UP

1шт.

45

02760-002A3

HOSE

SN: H00051-UP

1шт.

46

02896-11008

O-RING

SN: H00051-UP

1шт.

47

418-62-11620

O-RING

SN: H00051-UP

1шт.

48

419-62-31840

VALVE

SN: H00051-UP

1шт.

49

418-62-11630

O-RING

SN: H00051-UP

1шт.

50

418-62-32172

NIPPLE

SN: H00051-UP

1шт.

51

07002-12434

O-RING

SN: H00051-UP

1шт.

52

02896-11018

O-RING

SN: H00051-UP

1шт.

53

02781-00628

UNION

SN: H00051-UP

1шт.

Выбрано товаров: 54