Запчасти Komatsu WA250PZ-6 ГИДРОЛИНИЯ (3-Х СЕКЦИОНН. КЛАПАН) (БЫСТРОСЪЕМН. МЕХ-М) (ТРУБЫ КРЕПЛЕНИЕ) (/) H ГИДРАВЛИКА

Схема запчастей Komatsu WA250PZ-6 - ГИДРОЛИНИЯ (3-Х СЕКЦИОНН. КЛАПАН) (БЫСТРОСЪЕМН. МЕХ-М) (ТРУБЫ КРЕПЛЕНИЕ) (/) H ГИДРАВЛИКА
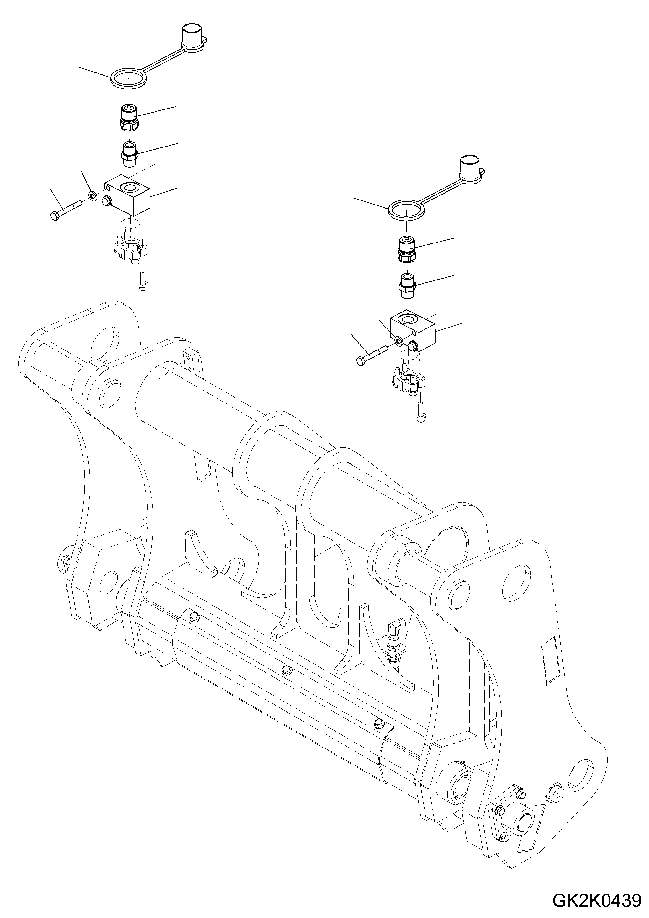
6
5
4
3
2
1
6
5
4
3
2
1
FIT
1:1
100%

Артикул

Название

Примечание

Количество

1

417-T90-4920

BLOCK

SN: H00051-UP

2шт.

2

01010-81075

BOLT

SN: H00051-UP

4шт.

3

01643-31032

WASHER

SN: H00051-UP

4шт.

4

417-09-H0360

ADAPTER

SN: H00051-UP

2шт.

5

418-09-H0080

COUPLING

SN: H00051-UP

2шт.

6

416-09-H0120

PLUG

SN: H00051-UP

2шт.

Выбрано товаров: 6