Запчасти Komatsu WA250PZ-6 УПРАВЛЕНИЕ ПОГРУЗКОЙ БЛОК (С -РЫЧАГ УПРАВЛЕНИЕ ПОГРУЗКОЙ) (ПЕРЕД. RESERVE ПЕРЕКЛЮЧАТЕЛЬ) (P.P.C. ШЛАНГИ) K OPERATORґS ОБСТАНОВКА И СИСТЕМА УПРАВЛЕНИЯ

Схема запчастей Komatsu WA250PZ-6 - УПРАВЛЕНИЕ ПОГРУЗКОЙ БЛОК (С -РЫЧАГ УПРАВЛЕНИЕ ПОГРУЗКОЙ) (ПЕРЕД. RESERVE ПЕРЕКЛЮЧАТЕЛЬ) (P.P.C. ШЛАНГИ) K OPERATORґS ОБСТАНОВКА И СИСТЕМА УПРАВЛЕНИЯ
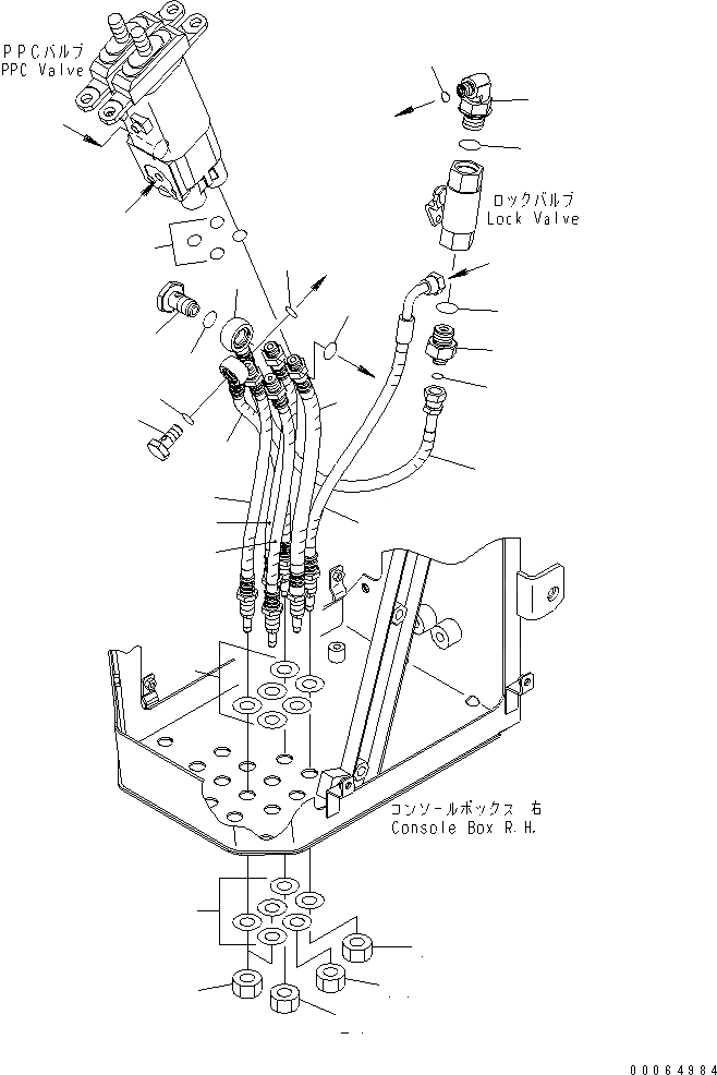
1
2
3
4
5
6
7
8
9
9
10
11
11
12
13
14
14
15
16
17
18
19
19
20
21
22
22
b
b
a
a
c
c
FIT
1:1
100%

Артикул

Название

Примечание

Количество

1

01583-11408

NUT

SN: H00051-UP

1шт.

2

418-43-38221

HOSE, 380MM

SN: H00051-UP

1шт.

3

11Y-62-12170

ELBOW

SN: H00051-UP

1шт.

4

02896-11008

O-RING

SN: H00051-UP

1шт.

5

07002-12034

O-RING

SN: H00051-UP

1шт.

6

8255-62-4370

UNION

SN: H00051-UP

1шт.

7

07002-12034

O-RING

SN: H00051-UP

1шт.

8

02896-11008

O-RING

SN: H00051-UP

1шт.

9

418-43-38330

HOSE, 410MM

SN: H00051-UP

1шт.

10

20Y-62-18910

BOLT

SN: H00051-UP

1шт.

11

07000-12018

O-RING

SN: H00051-UP

2шт.

12

07002-11423

O-RING

SN: H00051-UP

4шт.

13

418-43-38341

HOSE, 340MM

SN: H00051-UP

1шт.

14

01583-11408

NUT

SN: H00051-UP

4шт.

15

418-43-38351

HOSE, 330MM

SN: H00051-UP

1шт.

16

418-43-38360

HOSE, 340MM

SN: H00051-UP

1шт.

17

418-43-38370

HOSE, 330MM

SN: H00051-UP

1шт.

18

20Y-62-18890

BOLT

SN: H00051-UP

1шт.

19

07000-12015

O-RING

SN: H00051-UP

2шт.

20

418-43-38380

HOSE, 370MM

SN: H00051-UP

1шт.

21

01583-11408

NUT

SN: H00051-UP

1шт.

22

01643-31445

WASHER

SN: H00051-UP

12шт.

Выбрано товаров: 22