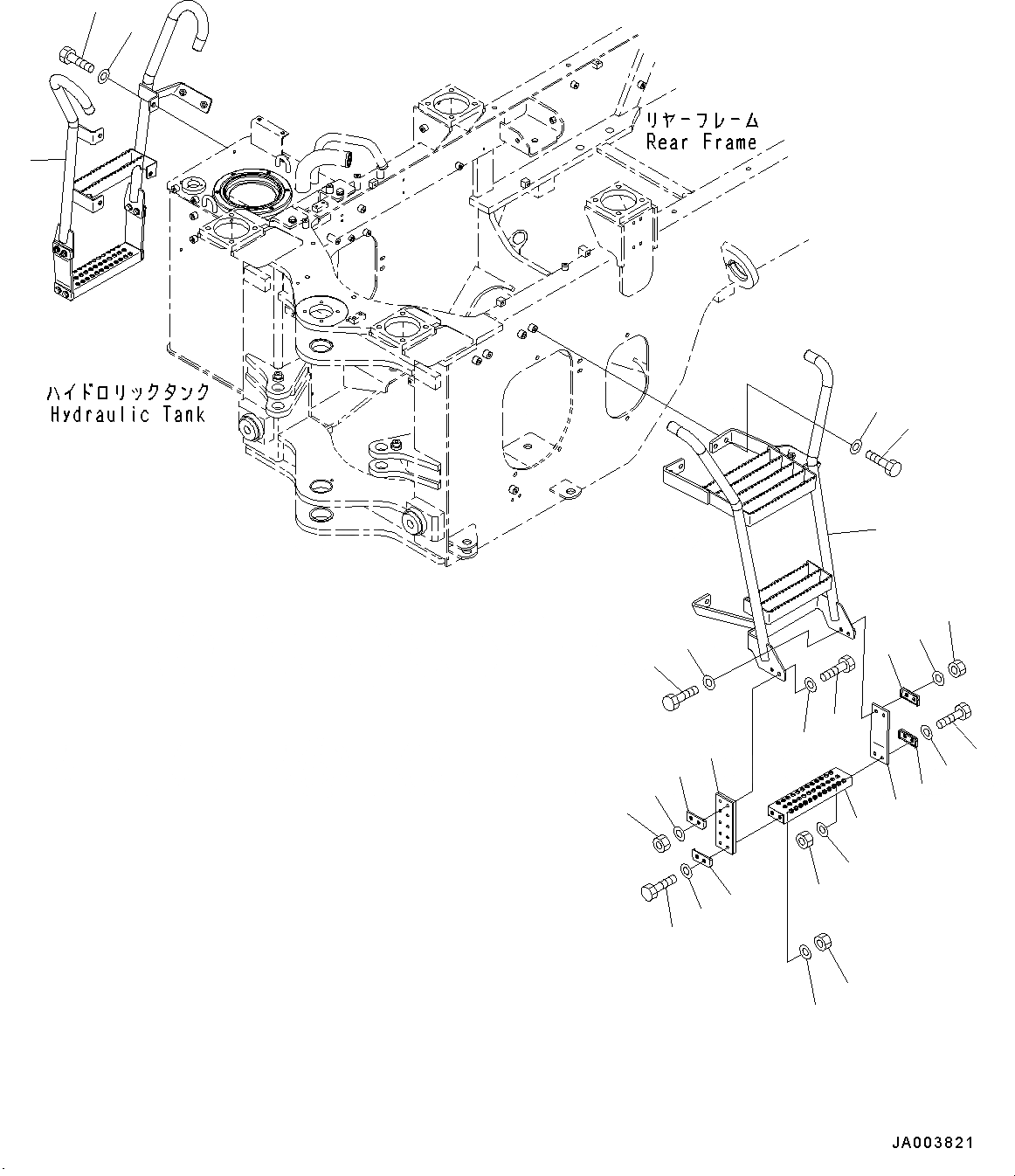
Запчасти Komatsu WA250PZ-6 ЛЕСТНИЦА M ЧАСТИ КОРПУСАS И КРЫШКИ

Схема запчастей Komatsu WA250PZ-6 - ЛЕСТНИЦА M ЧАСТИ КОРПУСАS И КРЫШКИ
13
12
10
11
9
12
13
7
8
9
11
10
11
10
12
13
9
8
9
13
12
10
11
1
2
3
4
5
6
FIT
1:1
100%

Артикул

Название

Примечание

Количество

1

418-54-45583

LADDER, LHS

SN: H00051-UP

1шт.

2

01010-81225

BOLT

SN: H00051-UP

5шт.

3

01643-31232

WASHER

SN: H00051-UP

5шт.

4

418-54-45591

LADDER, RHS

SN: H00051-UP

1шт.

5

01010-81225

BOLT

SN: H00051-UP

4шт.

6

01643-31232

WASHER

SN: H00051-UP

4шт.

7

421-54-34611

STEP

SN: H00051-UP

2шт.

8

424-54-44881

RUBBER

SN: H00051-UP

4шт.

9

428-T86-1650

PLATE

SN: H00051-UP

8шт.

10

01010-81045

BOLT

SN: H00051-UP

16шт.

11

01643-31032

WASHER

SN: H00051-UP

16шт.

12

01596-01009

NUT

SN: H00051-UP

16шт.

13

01643-71032

WASHER

SN: H00051-UP

16шт.

Выбрано товаров: 13