Запчасти Komatsu WA250PZ-6 ТОПЛИВН. ВПРЫСК КОНТРОЛЛЕР (КОМПОНЕНТЫ) AA ДВИГАТЕЛЬ

Схема запчастей Komatsu WA250PZ-6 - ТОПЛИВН. ВПРЫСК КОНТРОЛЛЕР (КОМПОНЕНТЫ) AA ДВИГАТЕЛЬ
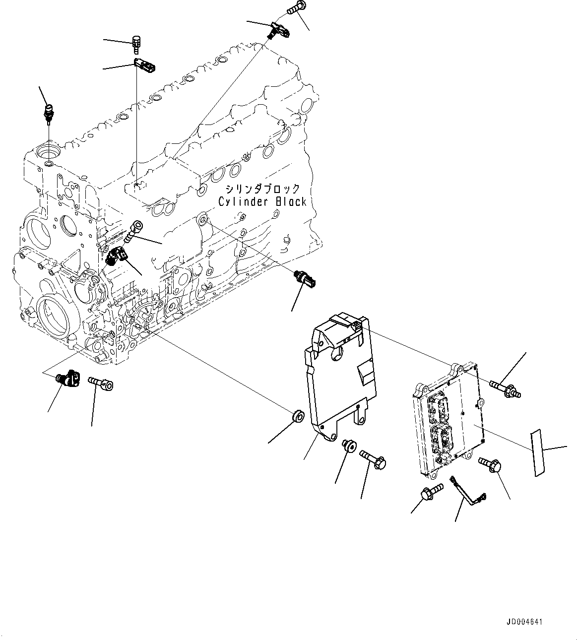
1
8
7
6
5
4
2
3
1
11
16
15
14
13
12
9
10
10
9
FIT
1:1
100%

Артикул

Название

Примечание

Количество

1

6754-81-9470

ISOLATOR

SN: H00051-UP

3шт.

2

6754-81-9460

BRACKET

SN: H00051-UP

1шт.

3

6735-61-2120

BOLT

SN: H00051-UP

3шт.

4

6754-81-9160

BOLT

SN: H00051-UP

3шт.

5

6732-61-3110

BOLT

SN: H00051-UP

2шт.

6

6216-84-2130

PLATE, NAME

SN: H00051-UP

1шт.

7

6754-81-9170

WIRE

SN: H00051-UP

1шт.

8

6216-74-6180

BOLT

SN: H00051-UP

1шт.

9

6271-81-9201

SENSOR ASSEMBLY, (ESN: 21965610 -)

SN: ..-UP

2шт.

|$10

6754-81-9200

SENSOR ASSEMBLY, (ESN: - 21870097)

SN: H00051-.

2шт.

10

6216-84-9220

BOLT

SN: H00051-UP

2шт.

11

6744-81-4010

SWITCH

SN: H00051-UP

1шт.

12

6261-81-1900

SENSOR

SN: H00051-UP

1шт.

13

6734-71-5520

BOLT

SN: H00051-UP

1шт.

14

6754-81-2701

SENSOR

SN: H00051-UP

1шт.

15

6754-81-9180

SCREW

SN: H00051-UP

1шт.

16

6261-81-6901

SENSOR ASSEMBLY

SN: H00051-UP

1шт.

Выбрано товаров: 17