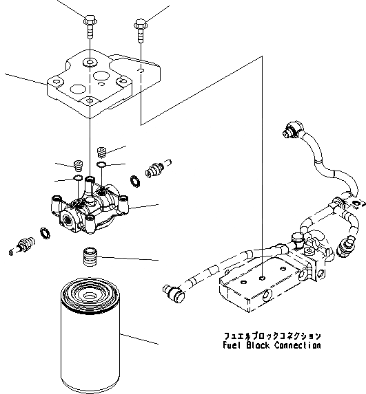
Запчасти Komatsu WA250PZ-6 ТОПЛИВН. ФИЛЬТР. (ESN: - 8797) AA ДВИГАТЕЛЬ

Схема запчастей Komatsu WA250PZ-6 - ТОПЛИВН. ФИЛЬТР. (ESN: - 8797) AA ДВИГАТЕЛЬ
8
7
6
3
4
3
4
5
2
1
FIT
1:1
100%

Артикул

Название

Примечание

Количество

|$1

6754-71-6301

FILTER ASSEMBLY

SN: H00051-UP

1шт.

1

0

FILTER

SN: ..-UP

1шт.

|$3

0

FILTER

SN: H00051-.

1шт.

2

6754-71-6330

ADAPTER

SN: H00051-.

1шт.

|$5

6732-21-1960

PLUG ASSEMBLY

SN: H00051-UP

2шт.

3

6215-81-9510

PLUG

SN: H00051-UP

1шт.

4

6215-81-9710

O-RING

SN: H00051-UP

1шт.

5

6754-71-6340

HEAD

SN: ..-UP

1шт.

|$9

0

HEAD

SN: H00051-.

1шт.

6

6754-71-5441

SUPPORT

SN: H00051-UP

1шт.

7

6732-61-6140

BOLT

SN: H00051-UP

3шт.

8

6735-61-2120

BOLT

SN: H00051-UP

4шт.

Выбрано товаров: 12