Запчасти Komatsu WA250PZ-6 ЧАСТИ PERДЛЯMANCE (COMMON RAIL) AA ДВИГАТЕЛЬ

Схема запчастей Komatsu WA250PZ-6 - ЧАСТИ PERДЛЯMANCE (COMMON RAIL) AA ДВИГАТЕЛЬ
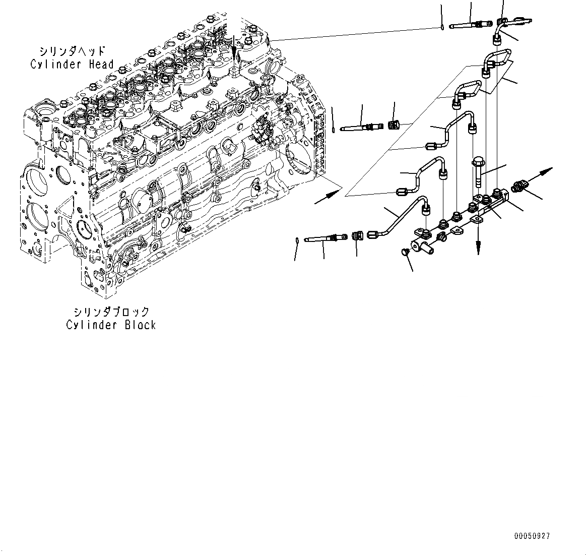
1
2
3
8
9
9
2
1
3
2
1
3
11
10
7
6
4
12
5
a
a
b
b
FIT
1:1
100%

Артикул

Название

Примечание

Количество

|$1

6754-71-5510

CONNECTOR ASSEMBLY

SN: H00051-UP

6шт.

1

0

CONNECTOR

SN: H00051-UP

1шт.

2

6754-71-5530

O-RING

SN: H00051-UP

1шт.

3

6754-71-5540

RETAINER

SN: H00051-UP

6шт.

|$5

6754-71-1210

RAIL ASSEMBLY

SN: H00051-UP

1шт.

4

0

COMMON RAIL

SN: H00051-UP

1шт.

5

6754-72-1220

VALVE

SN: H00051-UP

1шт.

6

6754-72-1210

SENSOR, PRESSURE

SN: H00051-UP

1шт.

7

6733-11-4150

BOLT

SN: H00051-UP

4шт.

8

6754-71-5210

TUBE, NO.2

SN: H00051-UP

1шт.

9

6754-71-5220

TUBE, NO.1

SN: H00051-UP

2шт.

10

6754-71-5230

TUBE, NO.3

SN: H00051-UP

2шт.

11

6754-71-5240

TUBE, NO.4

SN: H00051-UP

1шт.

12

6754-71-1991

DECAL

SN: H00051-UP

1шт.

Выбрано товаров: 14