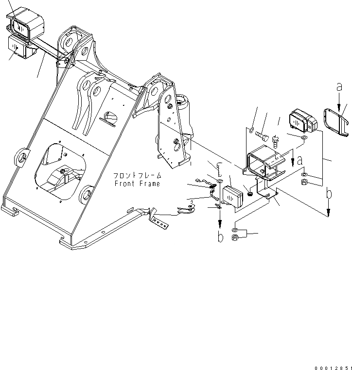
Запчасти Komatsu WA270-5 ПЕРЕДН. ОСВЕЩЕНИЕ (С ПРОТИВОТУМАНН. ФАРАМИ) ЭЛЕКТРИКА

Схема запчастей Komatsu WA270-5 - ПЕРЕДН. ОСВЕЩЕНИЕ (С ПРОТИВОТУМАНН. ФАРАМИ) ЭЛЕКТРИКА
1
2
3
4
5
6
7
8
9
10
11
12
13
14
14
14
15
16
FIT
1:1
100%

Артикул

Название

Примечание

Количество

1

418-06-33211

LAMP

SN: 70001-UP

1шт.

2

418-06-33221

LAMP

SN: 70001-UP

1шт.

3

207-54-16860

GROMMET

SN: 70001-UP

2шт.

4

209-09-11340

WASHER

SN: 70001-UP

2шт.

5

418-Z23-3110

SUPPORT

SN: 70001-UP

1шт.

6

418-Z23-3120

SUPPORT

SN: 70001-UP

1шт.

7

01010-81025

BOLT

SN: 70001-UP

6шт.

8

01643-31032

WASHER

SN: 70001-UP

6шт.

9

08053-01510

CLIP

SN: 70001-UP

2шт.

10

01010-81025

BOLT

SN: 70001-UP

2шт.

11

01643-31032

WASHER

SN: 70001-UP

2шт.

12

01023-10612

SCREW

SN: 70001-UP

8шт.

13

418-06-33191

PLATE

SN: 70001-UP

2шт.

14

22T-06-24110

LAMP

SN: 70001-UP

2шт.

|14

421-06-23330

BULB¤ 70W

SN: 70001-UP

1шт.

15

08037-02512

GROMMET

SN: 70001-UP

2шт.

16

416-Z23-3250

WIRING HARNESS

SN: 70001-UP

2шт.

Выбрано товаров: 17