Запчасти Komatsu WA270-5-SN ПЕРЕДАЧА МАСЛООХЛАДИТЕЛЬ СИСТЕМА ОХЛАЖДЕНИЯ

Схема запчастей Komatsu WA270-5-SN - ПЕРЕДАЧА МАСЛООХЛАДИТЕЛЬ СИСТЕМА ОХЛАЖДЕНИЯ
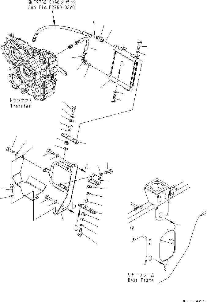
1
2
2
3
3
4
5
5
6
6
7
7
8
9
9
10
10
11
11
11
11
12
12
13
13
14
14
15
16
17
18
19
19
20
20
21
22
23
23
24
24
FIT
1:1
100%

Артикул

Название

Примечание

Количество

1

418-14-31172

BRACKET

SN: 70001-UP

1шт.

2

01010-81020

BOLT

SN: 70001-UP

4шт.

3

01643-31032

WASHER

SN: 70001-UP

4шт.

4

418-14-31210

OIL COOLER

SN: 70001-UP

1шт.

5

418-14-31182

PLATE

SN: 70001-UP

1шт.

6

01010-81025

BOLT

SN: 70001-UP

4шт.

7

01643-31032

WASHER

SN: 70001-UP

4шт.

8

418-14-31322

BRACKET

SN: 70001-UP

1шт.

9

01010-81255

BOLT

SN: 70001-UP

4шт.

10

01643-31232

WASHER

SN: 70001-UP

4шт.

11

419-43-17920

WASHER

SN: 70001-UP

8шт.

12

417-62-13620

CUSHION

SN: 70001-UP

4шт.

13

419-43-17930

CUSHION

SN: 70001-UP

4шт.

14

417-62-14130

SPACER

SN: 70001-UP

4шт.

15

01010-81025

BOLT

SN: 70001-UP

2шт.

16

01643-31032

WASHER

SN: 70001-UP

2шт.

17

22B-62-18940

ELBOW

SN: 70001-UP

1шт.

18

02782-10425

ELBOW

SN: 70001-UP

1шт.

19

07002-22434

O-RING

SN: 70001-UP

2шт.

20

02896-21012

O-RING

SN: 70001-UP

2шт.

21

02762-00403

HOSE

SN: 70001-UP

1шт.

22

418-14-31341

GUARD

SN: 70001-UP

1шт.

23

01010-81025

BOLT

SN: 70001-UP

3шт.

24

01643-31032

WASHER

SN: 70001-UP

3шт.

Выбрано товаров: 24