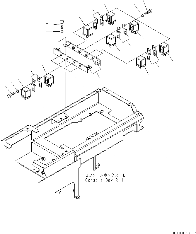
Запчасти Komatsu WA270-5-SN ПОЛ (ЭЛЕКТР.) (РЕЛЕ) КАБИНА ОПЕРАТОРА И СИСТЕМА УПРАВЛЕНИЯ

Схема запчастей Komatsu WA270-5-SN - ПОЛ (ЭЛЕКТР.) (РЕЛЕ) КАБИНА ОПЕРАТОРА И СИСТЕМА УПРАВЛЕНИЯ
1
2
3
4
4
4
4
4
4
4
5
6
6
7
7
8
8
8
8
FIT
1:1
100%

Артикул

Название

Примечание

Количество

1

418-54-32990

SN: 70001-UP

2шт.

2

01010-80616

SN: 70001-UP

4шт.

3

01643-30623

SN: 70001-UP

4шт.

4

569-06-61960

SN: 70001-UP

15шт.

5

569-06-61970

SN: 70001-UP

1шт.

6

01010-80616

SN: 70001-UP

8шт.

7

01643-30623

SN: 70001-UP

8шт.

8

287-06-16420

SN: 70001-UP

16шт.

Выбрано товаров: 8