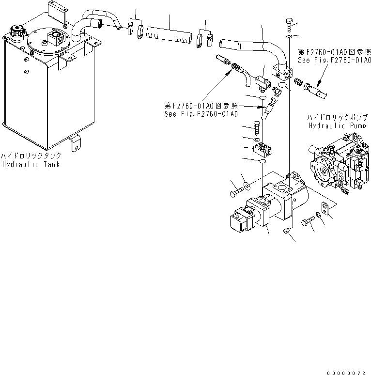
Запчасти Komatsu WA270-5-SN ГИДР. НАСОС. ГИДРАВЛИКА

Схема запчастей Komatsu WA270-5-SN - ГИДР. НАСОС. ГИДРАВЛИКА
1
2
3
4
5
6
7
8
9
9
10
11
12
13
14
15
16
17
18
19
FIT
1:1
100%

Артикул

Название

Примечание

Количество

1

705-56-36040

PUMP ASS'Y

SN: 70001-UP

1шт.

2

01010-81240

BOLT

SN: 70001-UP

4шт.

3

01010-81650

BOLT

SN: 70001-UP

1шт.

4

01643-31645

WASHER

SN: 70001-UP

1шт.

5

175-54-34170

WASHER

SN: 70001-UP

4шт.

6

418-62-33521

PLATE

SN: 70001-UP

1шт.

7

07049-01620

PLUG

SN: 70001-UP

1шт.

8

418-62-33330

HOSE

SN: 70001-UP

1шт.

9

07289-00055

CLAMP

SN: 70001-UP

4шт.

10

418-62-33324

TUBE

SN: 70001-UP

1шт.

11

07000-13048

O-RING

SN: 70001-UP

1шт.

12

07000-12060

O-RING

SN: 70001-UP

1шт.

13

01010-81270

BOLT

SN: 70001-UP

4шт.

14

01643-31232

WASHER

SN: 70001-UP

4шт.

15

418-62-33442

FLANGE

SN: 70069-UP

1шт.

|15

418-62-33441

FLANGE

SN: 70001-70068

1шт.

16

01252-71245

BOLT

SN: 70001-UP

4шт.

17

01643-31232

WASHER

SN: 70001-UP

4шт.

18

418-62-33490

TEE

SN: 70001-UP

1шт.

19

07002-12434

O-RING

SN: 70001-UP

1шт.

Выбрано товаров: 20