Запчасти Komatsu WA270-7 ПЕРЕДАЧА, МАГНИТ ASSEMBLY (№8-) ПЕРЕДАЧА

Схема запчастей Komatsu WA270-7 - ПЕРЕДАЧА, МАГНИТ ASSEMBLY (№8-) ПЕРЕДАЧА
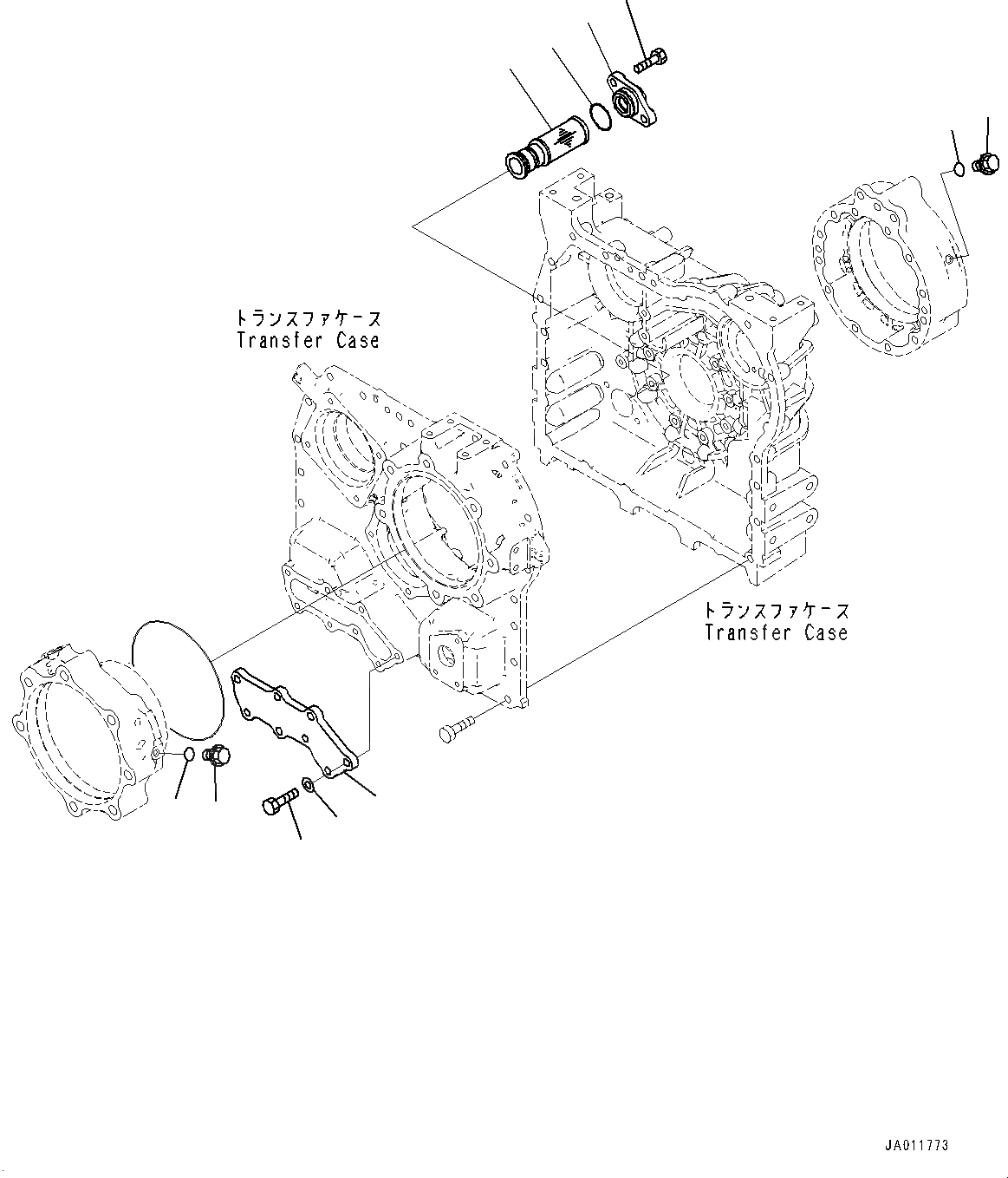
6
7
10
11
4
3
2
1
9
8
5
FIT
1:1
100%

Артикул

Название

Примечание

Количество

|$0

418-17-51000

Transfer Assembly

SN: 80001-UP

1шт.

1

124-15-51740

Magnet Assembly

SN: 80001-UP

1шт.

2

418-17-38120

Cover

SN: 80001-UP

1шт.

3

07000-73042

O-ring

SN: 80001-UP

1шт.

4

01010-81235

Bolt

SN: 80001-UP

2шт.

5

418-17-59420

Cover

SN: 80001-UP

1шт.

6

01010-81235

Bolt

SN: 80001-UP

8шт.

7

01643-31232

Washer

SN: 80001-UP

8шт.

8

708-8E-16150

Plug

SN: 80001-UP

1шт.

9

07002-61023

O-ring

SN: 80001-UP

1шт.

10

07040-11409

Plug

SN: 80001-UP

1шт.

11

07002-61423

O-ring

SN: 80001-UP

1шт.

Выбрано товаров: 12