Запчасти Komatsu WA270-7 HYDROSTATIC ТРАНСМИССИЯ (HST) МАСЛОПРОВОДЯЩАЯ ЛИНИЯ, ПЕРЕДАЧА ТРУБЫ И HST НАСОС ДРЕНАЖН. (№8-) HYDROSTATIC ТРАНСМИССИЯ (HST) МАСЛОПРОВОДЯЩАЯ ЛИНИЯ, БЕЗ ЭКСТРЕНН. РУЛЕВ. УПРАВЛЕНИЕ, АВТОМАТИЧ. УПРАВЛ-Е ТИП

Схема запчастей Komatsu WA270-7 - HYDROSTATIC ТРАНСМИССИЯ (HST) МАСЛОПРОВОДЯЩАЯ ЛИНИЯ, ПЕРЕДАЧА ТРУБЫ И HST НАСОС ДРЕНАЖН. (№8-) HYDROSTATIC ТРАНСМИССИЯ (HST) МАСЛОПРОВОДЯЩАЯ ЛИНИЯ, БЕЗ ЭКСТРЕНН. РУЛЕВ. УПРАВЛЕНИЕ, АВТОМАТИЧ. УПРАВЛ-Е ТИП
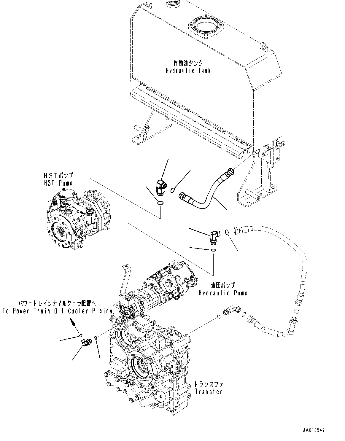
1
2
3
5
4
6
10
7
9
8
FIT
1:1
100%

Артикул

Название

Примечание

Количество

1

02782-1062A

Elbow

SN: 80001-UP

1шт.

2

07002-22434

O-ring

SN: 80001-UP

1шт.

3

02896-21018

O-ring

SN: 80001-UP

1шт.

4

02782-10422

Elbow

SN: 80001-UP

1шт.

5

07002-22034

O-ring

SN: 80001-UP

1шт.

6

02896-21012

O-ring

SN: 80001-UP

1шт.

7

419-18-51380

Elbow

SN: 80001-UP

1шт.

8

07000-13029

O-ring

SN: 80001-UP

1шт.

9

02896-11018

O-ring

SN: 80001-UP

1шт.

10

418-18-52230

Hose

SN: 80001-UP

1шт.

Выбрано товаров: 10