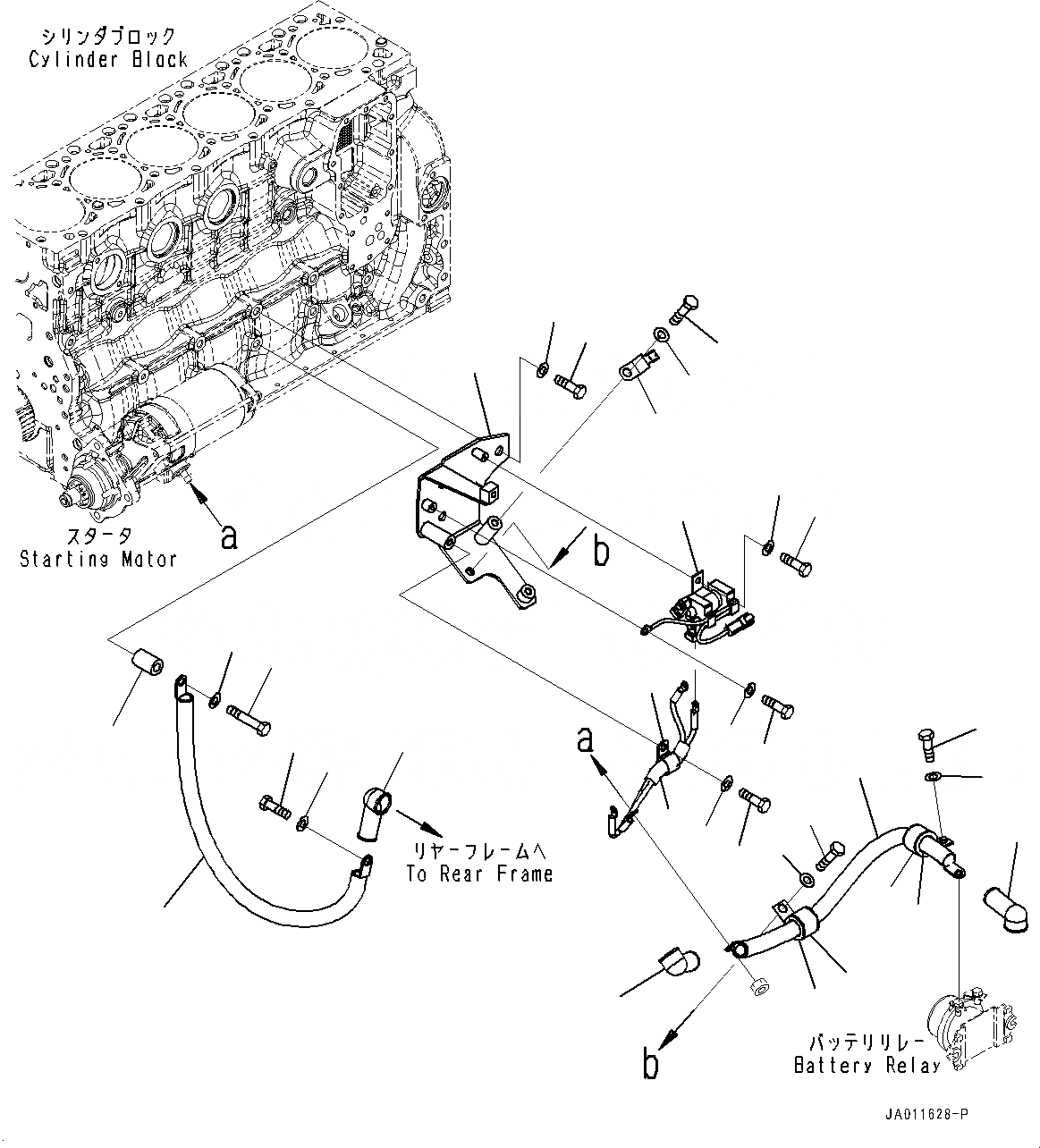
Запчасти Komatsu WA270-7 КОМПОНЕНТЫ ДВИГАТЕЛЯ, STARTING ПРОВОДКА (№8-) КОМПОНЕНТЫ ДВИГАТЕЛЯ, С 9AMP. ГЕНЕРАТОР

Схема запчастей Komatsu WA270-7 - КОМПОНЕНТЫ ДВИГАТЕЛЯ, STARTING ПРОВОДКА (№8-) КОМПОНЕНТЫ ДВИГАТЕЛЯ, С 9AMP. ГЕНЕРАТОР
6
7
9
4
3
5
1
10
12
16
17
17
16
19
20
22
23
24
25
26
27
2
8
11
13
14
14
13
15
15
18
21
28
FIT
1:1
100%

Артикул

Название

Примечание

Количество

1

419-06-52320

Wiring Harness

SN: 80001-UP

1шт.

2

600-051-2190

Clip

SN: 80001-UP

1шт.

3

01010-81020

Bolt

SN: 80001-UP

1шт.

4

01643-31032

Washer

SN: 80001-UP

1шт.

5

419-06-52250

Cable

SN: 80001-UP

1шт.

6

01010-81220

Bolt

SN: 80001-UP

1шт.

7

01643-31232

Washer

SN: 80001-UP

1шт.

8

205-03-71330

Collar

SN: 80001-UP

1шт.

9

01010-81260

Bolt

SN: 80001-UP

1шт.

10

01643-31232

Washer

SN: 80001-UP

1шт.

11

08038-00035

Cap, Terminal

SN: 80001-UP

1шт.

12

418-06-52420

Cable

SN: 80001-UP

1шт.

13

04434-53412

Clip

SN: 80001-UP

2шт.

14

07095-20625

Cushion

SN: 80001-UP

2шт.

15

08038-00035

Cap, Terminal

SN: 80001-UP

2шт.

16

01010-81020

Bolt

SN: 80001-UP

2шт.

17

01643-31032

Washer

SN: 80001-UP

2шт.

18

11Y-06-11391

Switch, Starter Relay

SN: 80001-UP

1шт.

19

01010-80612

Bolt

SN: 80001-UP

2шт.

20

01643-30623

Washer

SN: 80001-UP

2шт.

21

418-06-58220

Bracket

SN: 80001-UP

1шт.

22

01010-81235

Bolt

SN: 80001-UP

3шт.

23

01643-31232

Washer

SN: 80001-UP

3шт.

24

01010-80816

Bolt

SN: 80001-UP

1шт.

25

01643-30823

Washer

SN: 80001-UP

1шт.

26

01010-81020

Bolt

SN: 80001-UP

1шт.

27

01643-31032

Washer

SN: 80001-UP

1шт.

28

08193-20012

Clip

SN: 80001-UP

1шт.

Выбрано товаров: 28