Запчасти Komatsu WA270-7 УПРАВЛЯЮЩ. КЛАПАН, -КЛАПАН (/8) (№8-) УПРАВЛЯЮЩ. КЛАПАН, С 2-Х СЕКЦИОНН. УПРАВЛЯЮЩ. КЛАПАН, MULTI-COUPLER, JRB, ECSS

Схема запчастей Komatsu WA270-7 - УПРАВЛЯЮЩ. КЛАПАН, -КЛАПАН (/8) (№8-) УПРАВЛЯЮЩ. КЛАПАН, С 2-Х СЕКЦИОНН. УПРАВЛЯЮЩ. КЛАПАН, MULTI-COUPLER, JRB, ECSS
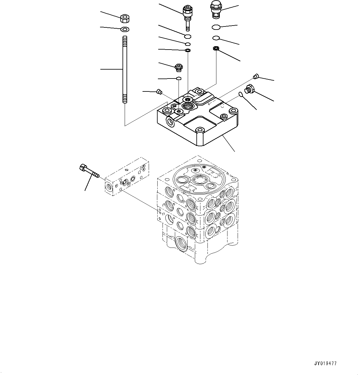
1
2
4
5
3
6
7
8
9
15
16
17
18
11
14
13
12
10
10
FIT
1:1
100%

Артикул

Название

Примечание

Количество

|$0

723-53-16800

Valve, Control

SN: 80001-UP

1шт.

|$1

Cover Group

SN: 80001-UP

1шт.

1

Cover

SN: 80001-UP

1шт.

2

723-50-57100

Plug Assembly

SN: 80001-UP

1шт.

3

07002-11423

O-ring

SN: 80001-UP

1шт.

4

07000-11004

O-ring

SN: 80001-UP

1шт.

5

07001-01004

Ring, Back-up

SN: 80001-UP

1шт.

6

708-8E-16160

Plug

SN: 80001-UP

1шт.

7

07002-11023

O-ring

SN: 80001-UP

1шт.

8

07040-11409

Plug

SN: 80001-UP

1шт.

9

07002-11423

O-ring

SN: 80001-UP

1шт.

10

Plug

SN: 80001-UP

2шт.

11

723-56-33710

Plug

SN: 80001-UP

1шт.

12

702-21-53140

Filter

SN: 80001-UP

1шт.

13

07000-13024

O-ring

SN: 80001-UP

1шт.

14

07000-12016

O-ring

SN: 80001-UP

1шт.

15

723-50-11130

Stud

SN: 80001-UP

4шт.

16

01643-31232

Washer

SN: 80001-UP

4шт.

17

01580-11210

Nut

SN: 80001-UP

4шт.

18

01252-60840

Bolt, Hexagon Socket Head

SN: 80001-UP

4шт.

Выбрано товаров: 20