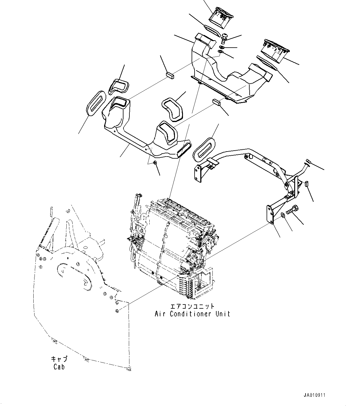
Запчасти Komatsu WA270-7 КАБИНА ROPS, КОНДИЦ. ВОЗДУХА ВОЗДУХОВОДЫ (/) (№8-) КАБИНА ROPS

Схема запчастей Komatsu WA270-7 - КАБИНА ROPS, КОНДИЦ. ВОЗДУХА ВОЗДУХОВОДЫ (/) (№8-) КАБИНА ROPS
9
1
2
3
5
6
7
8
9
10
11
12
13
14
15
16
4
6
8
16
4
FIT
1:1
100%

Артикул

Название

Примечание

Количество

1

419-925-5160

Bracket

SN: 80001-UP

1шт.

2

01010-81025

Bolt

SN: 80001-UP

4шт.

3

01643-31032

Washer

SN: 80001-UP

4шт.

4

421-926-5310

Sheet

SN: 80001-UP

2шт.

5

423-07-51680

Duct

SN: 80001-UP

1шт.

6

423-07-51650

Sheet

SN: 80001-UP

2шт.

7

423-07-51690

Duct

SN: 80001-UP

1шт.

8

423-07-51640

Sheet

SN: 80001-UP

2шт.

9

423-07-51660

Sheet

SN: 80001-UP

2шт.

10

423-56-21910

Button

SN: 80001-UP

2шт.

11

01023-10620

Screw

SN: 80001-UP

4шт.

12

56D-54-35310

Collar

SN: 80001-UP

4шт.

13

56D-54-35320

Washer

SN: 80001-UP

4шт.

14

423-07-52110

Grille

SN: 80001-UP

1шт.

15

423-07-52120

Grille

SN: 80001-UP

1шт.

16

423-926-5121

Seal

SN: 80001-UP

2шт.

Выбрано товаров: 16