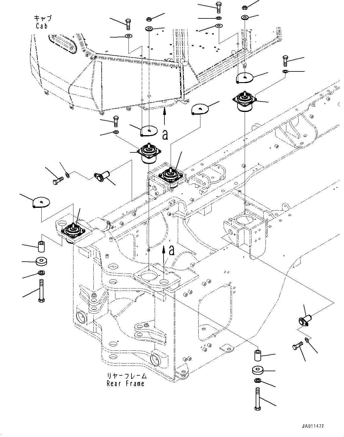
Запчасти Komatsu WA270-7 КРЕПЛЕНИЕ ОСН. КОНСТРУКЦИИING (№8-) КРЕПЛЕНИЕ ОСН. КОНСТРУКЦИИING

Схема запчастей Komatsu WA270-7 - КРЕПЛЕНИЕ ОСН. КОНСТРУКЦИИING (№8-) КРЕПЛЕНИЕ ОСН. КОНСТРУКЦИИING
7
5
6
3
4
6
5
8
8
9
9
15
16
15
16
13
13
1
1
1
2
3
4
14
14
10
11
12
10
12
11
1
2
2
2
FIT
1:1
100%

Артикул

Название

Примечание

Количество

1

419-926-5930

Viscous Mount

SN: 80001-UP

4шт.

2

419-926-5940

Spacer

SN: 80001-UP

4шт.

3

421-70-11280

Washer

SN: 80001-UP

4шт.

4

01580-11613

Nut

SN: 80001-UP

4шт.

5

01010-80830

Bolt

SN: 80001-UP

4шт.

6

154-61-16570

Washer

SN: 80001-UP

4шт.

7

01643-30823

Washer

SN: 80001-UP

4шт.

8

01010-81035

Bolt

SN: 80001-UP

16шт.

9

01643-31032

Washer

SN: 80001-UP

16шт.

10

419-926-5872

Collar

SN: 80001-UP

2шт.

11

419-926-5911

Plate

SN: 80001-UP

2шт.

12

01643-32460

Washer

SN: 80001-UP

2шт.

13

01011-82435

Bolt

SN: 80001-UP

2шт.

14

419-926-5921

Pin

SN: 80001-UP

2шт.

15

01010-81225

Bolt

SN: 80001-UP

2шт.

16

01643-31232

Washer

SN: 80001-UP

2шт.

Выбрано товаров: 16