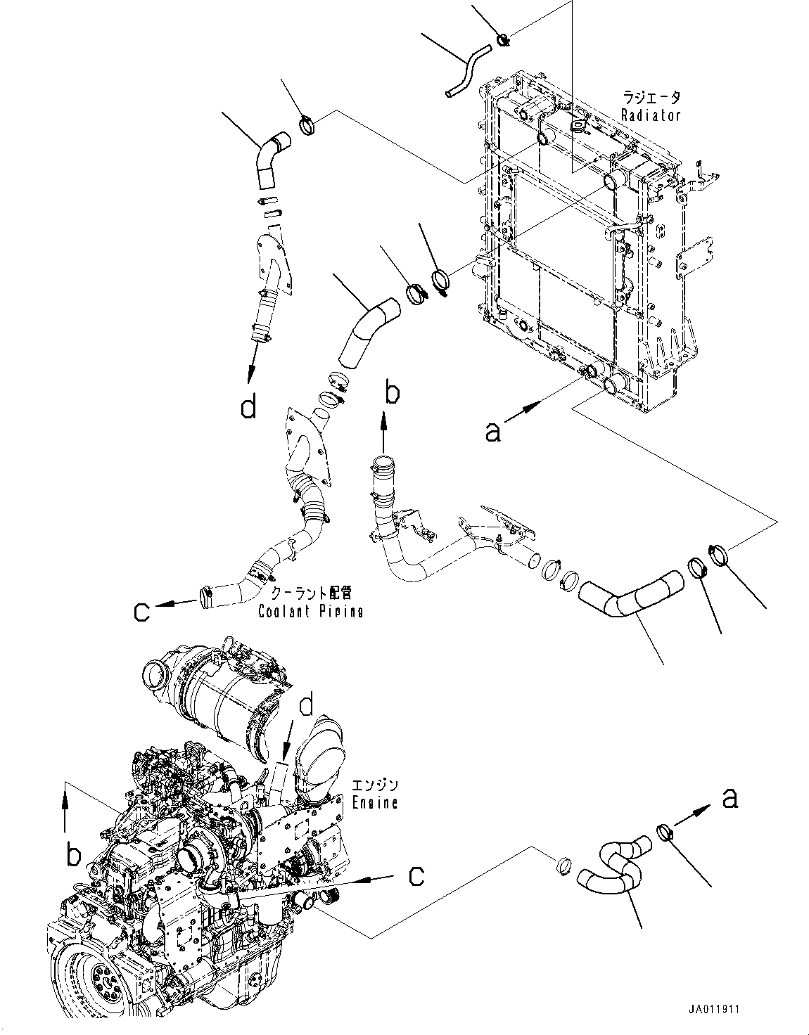
Запчасти Komatsu WA270-7 РАДИАТОР, ПОСЛЕОХЛАДИТЕЛЬ ТРУБЫ И РАДИАТОР СЕРДЦЕВИНА ТРУБЫ (№8-) РАДИАТОР

Схема запчастей Komatsu WA270-7 - РАДИАТОР, ПОСЛЕОХЛАДИТЕЛЬ ТРУБЫ И РАДИАТОР СЕРДЦЕВИНА ТРУБЫ (№8-) РАДИАТОР
5
2
6
6
3
7
7
4
1
5
8
9
FIT
1:1
100%

Артикул

Название

Примечание

Количество

1

418-03-51180

Hose

SN: 80001-UP

1шт.

2

418-03-51170

Hose

SN: 80001-UP

1шт.

3

418-03-51210

Hose

SN: 80001-UP

1шт.

4

418-03-51190

Hose

SN: 80001-UP

1шт.

5

07289-00055

Clamp

SN: 80001-UP

2шт.

6

07299-00070

Clamp

SN: 80001-UP

2шт.

7

07289-00070

Clamp

SN: 80001-UP

2шт.

8

418-03-52770

Hose

SN: 80001-UP

1шт.

9

11Y-09-11140

Clip

SN: 80001-UP

1шт.

Выбрано товаров: 9