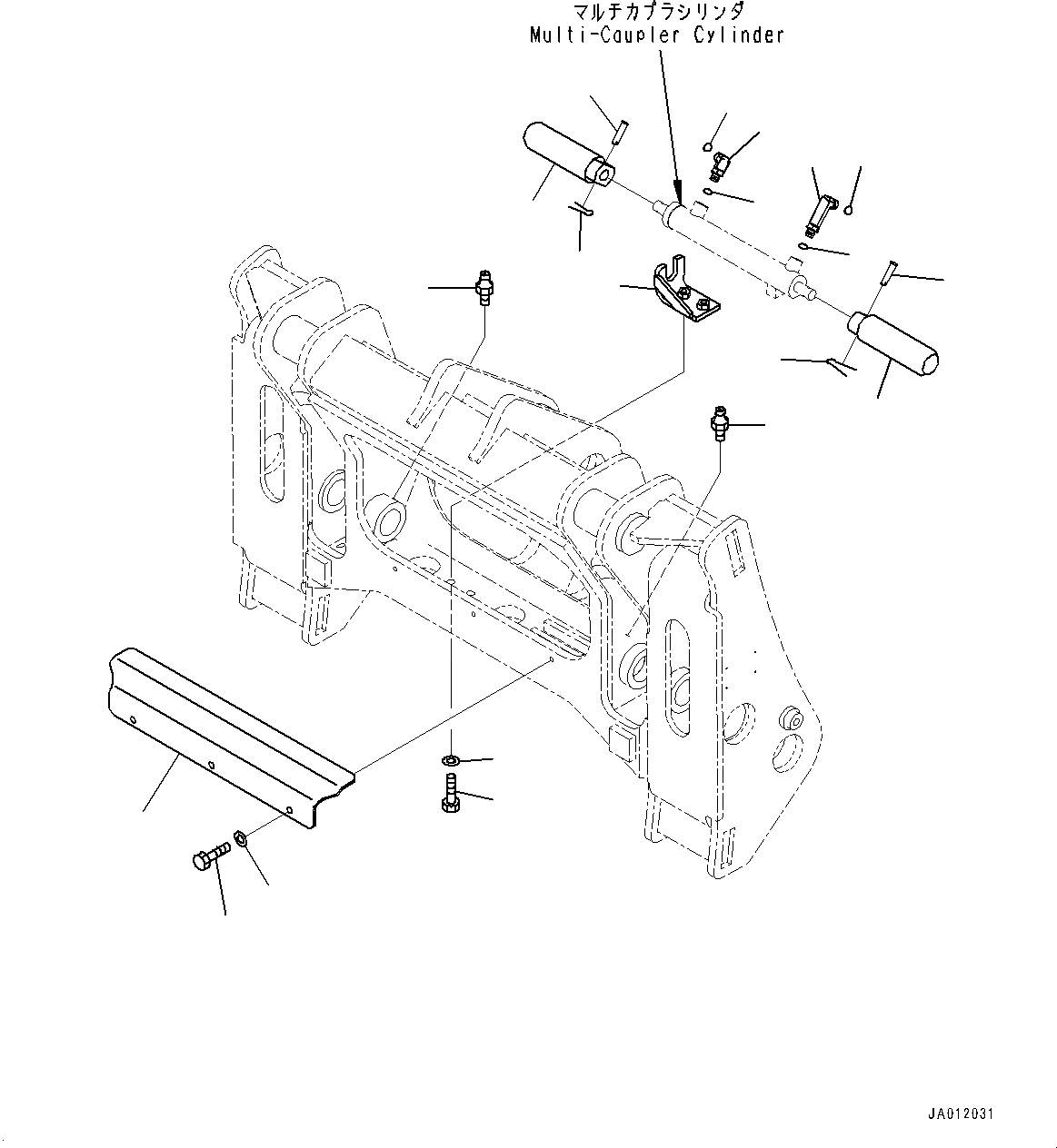
Запчасти Komatsu WA270-7 MULTI-COUPLER, КРЕПЛЕНИЕ (№8-) MULTI-COUPLER, С 3-Х СЕКЦ. КОНТР. КЛАПАНОМ

Схема запчастей Komatsu WA270-7 - MULTI-COUPLER, КРЕПЛЕНИЕ (№8-) MULTI-COUPLER, С 3-Х СЕКЦ. КОНТР. КЛАПАНОМ
10
9
1
2
3
14
13
12
11
10
9
8
7
6
5
4
3
2
1
11
FIT
1:1
100%

Артикул

Название

Примечание

Количество

1

418-879-3162

Pin

SN: 80001-UP

2шт.

2

04205-11042

Pin

SN: 80001-UP

2шт.

3

04050-13020

Pin, Cotter

SN: 80001-UP

2шт.

4

417-879-2631

Bracket

SN: 80001-UP

1шт.

5

01010-81250

Bolt

SN: 80001-UP

2шт.

6

01643-31232

Washer

SN: 80001-UP

2шт.

7

02782-10311

Elbow

SN: 80001-UP

1шт.

8

02782-10312

Elbow

SN: 80001-UP

1шт.

9

07002-11423

O-ring

SN: 80001-UP

2шт.

10

02896-11009

O-ring

SN: 80001-UP

2шт.

11

07020-00000

Fitting, Grease

SN: 80001-UP

2шт.

12

418-T80-4731

Cover

SN: 80001-UP

1шт.

13

01010-81020

Bolt

SN: 80001-UP

3шт.

14

01643-31032

Washer

SN: 80001-UP

3шт.

Выбрано товаров: 14