Запчасти Komatsu WA270PT-3 active ТРАНСМИССИЯ МАСЛ. ОХЛАЖД-Е СИСТЕМА ОХЛАЖДЕНИЯ

Схема запчастей Komatsu WA270PT-3 active - ТРАНСМИССИЯ МАСЛ. ОХЛАЖД-Е СИСТЕМА ОХЛАЖДЕНИЯ
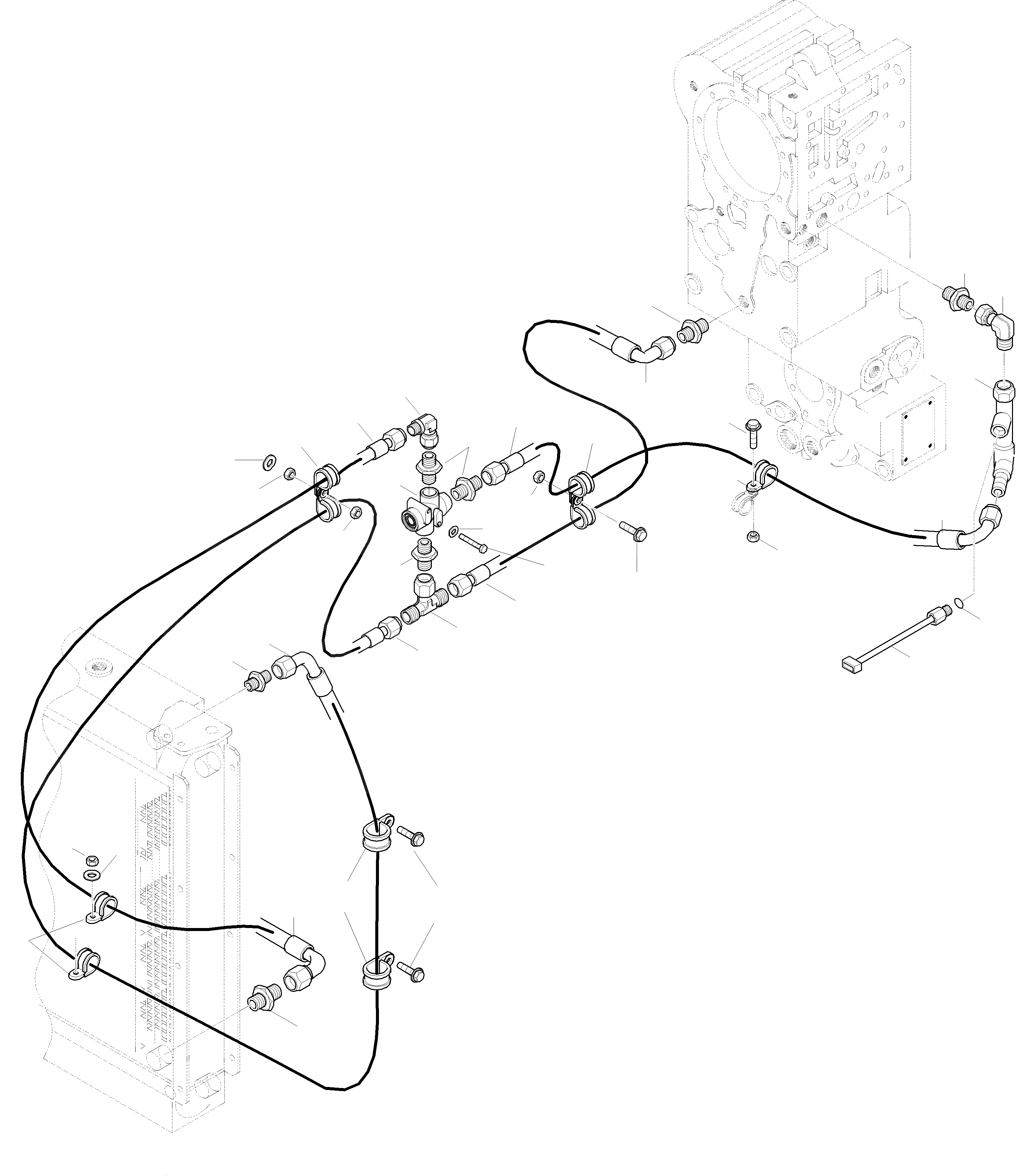
15
17
7
9
8
8
7
9
10
6
12
11
26
25
25
24
23
13
17
14
15
19
20
19
13
1
2
3
6
18
17
23
22
21
20
16
5
4
FIT
1:1
100%

Артикул

Название

Примечание

Количество

1

42Y-00-H0620

STUD

DeutschDesc: STUTZEN

1шт.

2

421-00-H0100

ELBOW NIPPLE

DeutschDesc: WINKELSTUTZEN

1шт.

3

42Y-16-H1130

TUBE

DeutschDesc: ROHR

1шт.

4

42Y-15-H0P07

O-RING

DeutschDesc: O-RING

1шт.

5

7861-92-3320

THERMOCOUPLE

DeutschDesc: TEMPERATURGEBER

1шт.

6

42Y-00-H1860

HOSE ASSEMBLY

DeutschDesc: SCHLAUCH VOLLST.

1шт.

7

42Y-00-H1540

CLIP

DeutschDesc: SCHELLE

3шт.

8

01435-01025

SCREW

DeutschDesc: SCHRAUBE

2шт.

9

421-00-H0910

NUT

DeutschDesc: MUTTER

2шт.

10

42Y-16-H1110

CONTROLLER

DeutschDesc: REGLER

1шт.

11

42Y-00-H1810

SCREW

DeutschDesc: SCHRAUBE

2шт.

12

01642-20608

PLAIN WASHER

DeutschDesc: UNTERLEGSCHEIBE

2шт.

13

421-00-H0170

STUD

DeutschDesc: STUTZEN

3шт.

14

421-00-H0100

ELBOW NIPPLE

DeutschDesc: WINKELSTUTZEN

1шт.

15

42Y-00-H3440

HOSE ASSEMBLY

DeutschDesc: SCHLAUCH VOLLST.

1шт.

16

421-00-H0170

STUD

DeutschDesc: STUTZEN

1шт.

17

42Y-00-H1540

CLIP

DeutschDesc: SCHELLE

6шт.

18

01435-01020

SCREW

DeutschDesc: SCHRAUBE

2шт.

19

421-00-H0910

NUT

DeutschDesc: MUTTER

2шт.

20

42Y-16-H1140

DISC

DeutschDesc: SCHEIBE

2шт.

21

421-00-H0590

NUT

DeutschDesc: MUTTER

1шт.

22

421-00-H0170

STUD

DeutschDesc: STUTZEN

1шт.

23

42Y-00-H3460

HOSE ASSEMBLY

DeutschDesc: SCHLAUCH VOLLST.

1шт.

24

42Y-00-H1740

UNION

DeutschDesc: VERSCHRAUBUNG

1шт.

25

42Y-00-H0640

HOSE ASSEMBLY

DeutschDesc: SCHLAUCH VOLLST.

1шт.

26

42Y-00-H0620

STUD

DeutschDesc: STUTZEN

1шт.

Выбрано товаров: 26