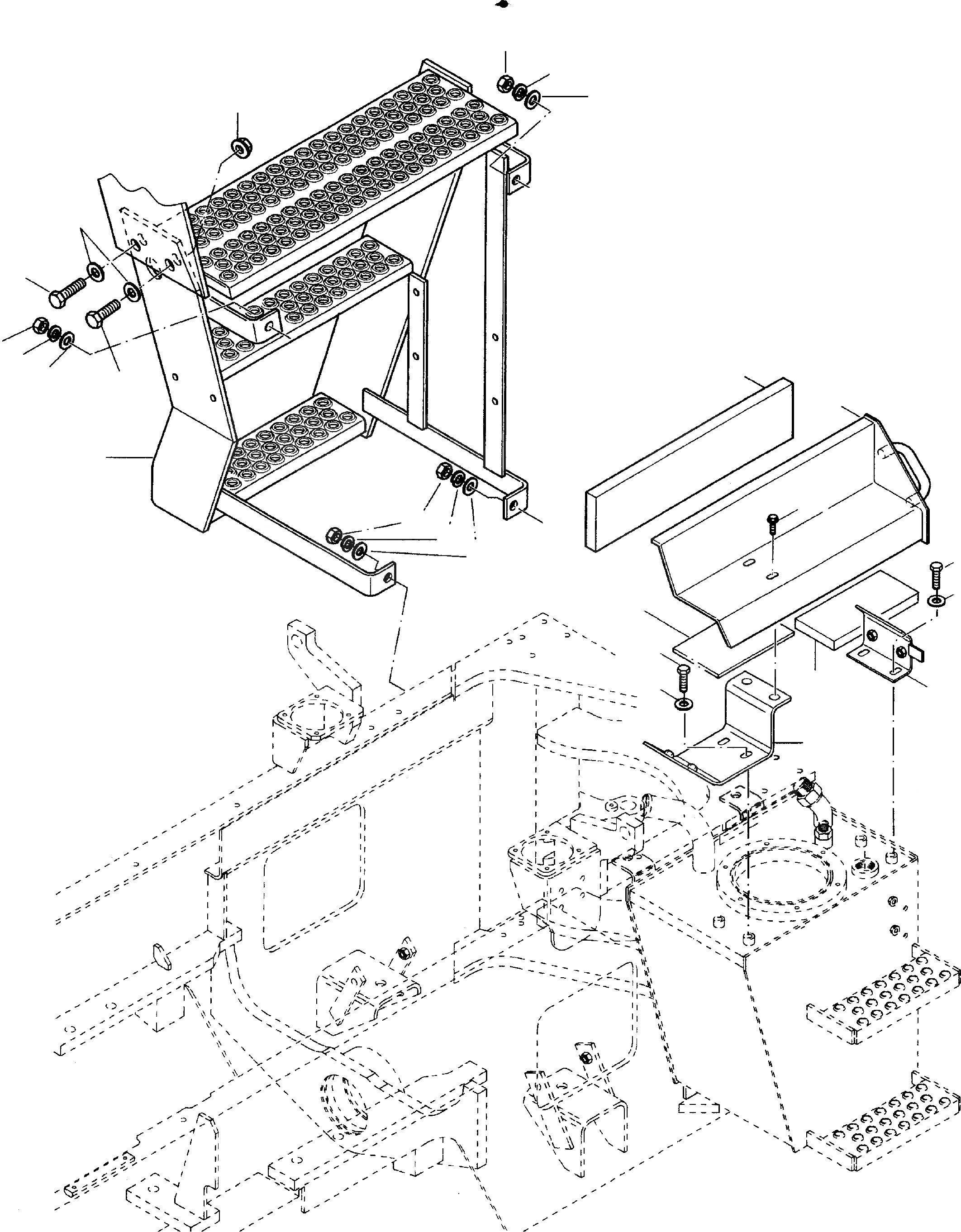
Запчасти Komatsu WA270PT-3 active ЛЕСТНИЦА РАМА

Схема запчастей Komatsu WA270PT-3 active - ЛЕСТНИЦА РАМА
7A
4
12
3
2
5
6
4
14
3
2
7
1
13
4
3
2
11
10
16
11
10
15
8
9
FIT
1:1
100%

Артикул

Название

Примечание

Количество

1

42Y-54-H4570

LADDER

DeutschDesc: LEITER

1шт.

2

423-00-H0000

PLAIN WASHER

DeutschDesc: UNTERLEGSCHEIBE

4шт.

3

42X-00-H0040

LOCK WASHER

DeutschDesc: SICHERUNGSSCHEIBE

4шт.

4

01580-11210

NUT

DeutschDesc: MUTTER

4шт.

5

01643-51232

PLAIN WASHER

DeutschDesc: UNTERLEGSCHEIBE

2шт.

6

01435-01220

SCREW

DeutschDesc: SCHRAUBE

1шт.

7

01435-01225

SCREW

DeutschDesc: SCHRAUBE

1шт.

7A

01580-11210

NUT

DeutschDesc: MUTTER

1шт.

8

42Y-54-H4670

BRACKET

DeutschDesc: HALTER

1шт.

9

42Y-54-H4680

BRACKET

DeutschDesc: HALTER

1шт.

10

423-00-H0000

PLAIN WASHER

DeutschDesc: UNTERLEGSCHEIBE

4шт.

11

01010-51225

SCREW

DeutschDesc: SCHRAUBE

4шт.

12

42Y-54-H4660

STAIR

DeutschDesc: STUFE

1шт.

13

01435-00816

SCREW

DeutschDesc: SCHRAUBE

4шт.

14

42Y-54-H4R70

SOUND REDUCTION

DeutschDesc: SCHALLDAEMMUNG

1шт.

15

42Y-54-H4R80

SOUND REDUCTION

DeutschDesc: SCHALLDAEMMUNG

1шт.

16

42Y-54-H4P30

INSULATING BOARD

DeutschDesc: DAEMMPAPPE

1шт.

Выбрано товаров: 17