Запчасти Komatsu WA30-1 ВОЗДУХООЧИСТИТЕЛЬ СОЕДИН-Е КОМПОНЕНТЫ ДВИГАТЕЛЯ И ЭЛЕКТРИКА

Схема запчастей Komatsu WA30-1 - ВОЗДУХООЧИСТИТЕЛЬ СОЕДИН-Е КОМПОНЕНТЫ ДВИГАТЕЛЯ И ЭЛЕКТРИКА
FIT
1:1
100%

Артикул

Название

Примечание

Количество

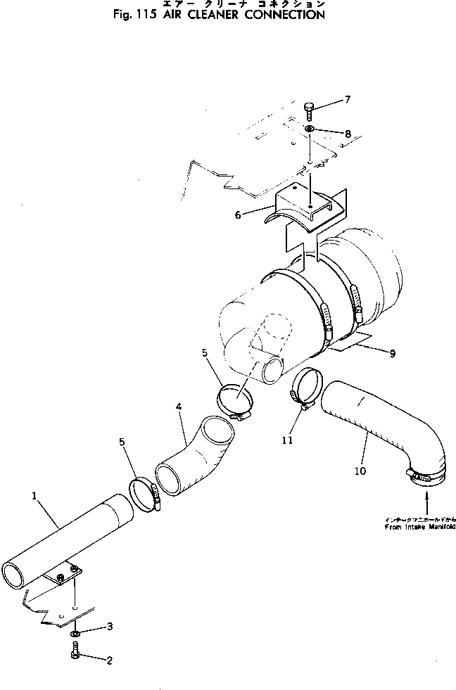
1

362-01-14121

PIPE

SN: 1001-UP

1шт.

2

01010-30816

BOLT

SN: 1001-UP

2шт.

3

01602-00825

WASHER

SN: 1001-UP

2шт.

4

362-01-14111

HOSE

SN: 1001-UP

1шт.

5

07281-00709

CLAMP

SN: 1001-UP

2шт.

6

362-01-14131

BRACKET

SN: 1001-UP

1шт.

7

01010-31020

BOLT

SN: 1001-UP

2шт.

8

01643-31032

WASHER

SN: 1001-UP

2шт.

9

07281-01919

CLAMP

SN: 1001-UP

2шт.

10

362-01-14141

HOSE

SN: 1001-UP

1шт.

11

07281-00709

CLAMP

SN: 1001-UP

2шт.

Выбрано товаров: 11