Запчасти Komatsu WA30-2 НАСОС РУЛЕВ. УПРАВЛ-Я (ДЛЯ ЯПОН.)(№-) РУЛЕВ. УПРАВЛЕНИЕ И СИСТЕМА УПРАВЛЕНИЯ

Схема запчастей Komatsu WA30-2 - НАСОС РУЛЕВ. УПРАВЛ-Я (ДЛЯ ЯПОН.)(№-) РУЛЕВ. УПРАВЛЕНИЕ И СИСТЕМА УПРАВЛЕНИЯ
FIT
1:1
100%

Артикул

Название

Примечание

Количество

|1

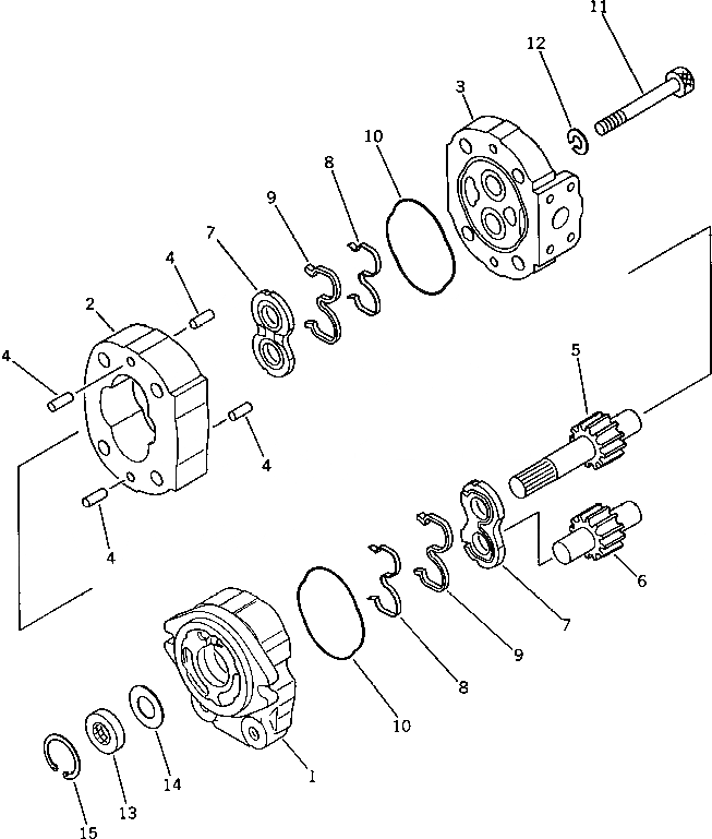
705-12-21010

PUMP ASS'Y

SN: 3001-4101

1шт.

1

0

BRACKET ASS'Y

SN: 3001-4101

1шт.

2

0

CASE,GEAR

SN: 3001-4101

1шт.

3

0

COVER ASS'Y

SN: 3001-4101

1шт.

4

0

PIN,DOWEL

SN: 3001-@

4шт.

5

0

GEAR,DRIVE

SN: 3001-4101

1шт.

6

0

GEAR,DRIVEN

SN: 3001-4101

1шт.

7

0

PLATE,SIDE

SN: 3001-4101

2шт.

8

0

RING,BACK-UP

SN: 3001-4101

2шт.

9

0

SEAL

SN: 3001-4101

2шт.

10

0

O-RING

SN: 3001-@

2шт.

11

0

BOLT

SN: 3001-4101

4шт.

12

0

WASHER,SPRING

SN: 3001-4101

4шт.

13

704-17-01810

SEAL,OIL

SN: 3001-@

1шт.

14

705-17-01870

PLATE

SN: 3001-@

1шт.

15

04065-03515

RING,SNAP

SN: 3001-@

1шт.

Выбрано товаров: 16