Запчасти Komatsu WA30-2 ТОПЛИВН. БАК. КОМПОНЕНТЫ ДВИГАТЕЛЯ И ЭЛЕКТРИКА

Схема запчастей Komatsu WA30-2 - ТОПЛИВН. БАК. КОМПОНЕНТЫ ДВИГАТЕЛЯ И ЭЛЕКТРИКА
FIT
1:1
100%

Артикул

Название

Примечание

Количество

|1

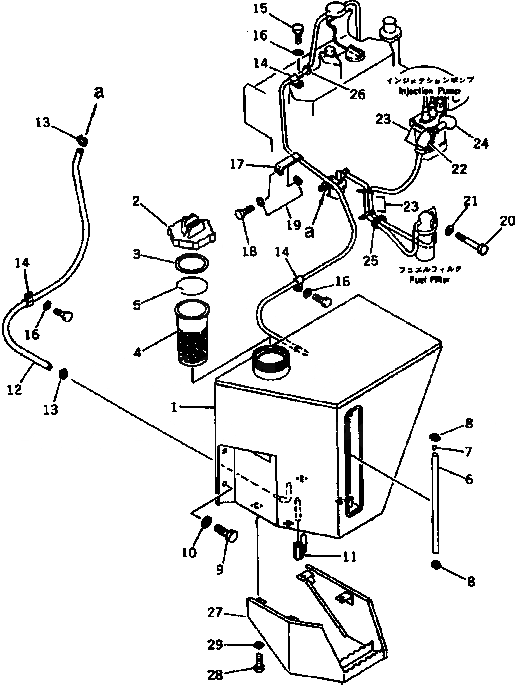
362-04-00020

FUEL TANK ASS'Y

SN: 3001-UP

1шт.

1

362-04-21110

TANK

SN: 3001-UP

1шт.

2

07050-20920

CAP ASS'Y

SN: 3001-UP

1шт.

|2

07091-00920

CAP ASS'Y,(FOR VANDALISM)

SN: 3001-UP

1шт.

3

07050-20922

GASKET

SN: 3001-UP

1шт.

4

07056-16415

STRAINER

SN: 3001-UP

1шт.

5

07057-03266

RING,SNAP

SN: 3001-UP

1шт.

6

07270-01030

TUBE

SN: 3001-UP

1шт.

7

20R-04-21210

BALL,FLOAT

SN: 3001-UP

1шт.

8

07281-00197

CLAMP

SN: 3001-UP

2шт.

9

01010-31630

BOLT

SN: 3001-UP

4шт.

10

01643-31645

WASHER

SN: 3001-UP

4шт.

11

07700-40240

VALVE

SN: 3001-UP

1шт.

12

362-04-22110

HOSE

SN: 3001-UP

1шт.

13

07281-00137

CLAMP

SN: 3001-UP

2шт.

14

198-904-4280

CLIP

SN: 3001-UP

3шт.

15

01010-50816

BOLT

SN: 3001-UP

1шт.

16

01643-30823

WASHER

SN: 3001-UP

3шт.

17

20N-04-12150

CLIP

SN: 3001-UP

1шт.

18

01010-51035

BOLT

SN: 3001-UP

1шт.

19

01643-31032

WASHER

SN: 3001-UP

2шт.

20

01010-50870

BOLT

SN: 3001-UP

1шт.

21

01643-30823

WASHER

SN: 3001-UP

1шт.

22

201-43-22190

BUSHING

SN: 3001-UP

1шт.

23

08034-00414

BAND

SN: 3001-UP

4шт.

24

08038-00035

CAP

SN: 3001-UP

1шт.

25

144-06-12150

GROMMET

SN: 3001-UP

1шт.

26

08034-00414

BAND

SN: 3001-UP

1шт.

27

362-04-21120

STEP

SN: 3001-UP

1шт.

28

01010-51020

BOLT

SN: 3001-UP

4шт.

29

01643-31032

WASHER

SN: 3001-UP

4шт.

Выбрано товаров: 31