Запчасти Komatsu WA30-2 КОВШ ГИДРОЦИЛИНДР ПОДЪЕМА(№-) УПРАВЛ-Е РАБОЧИМ ОБОРУДОВАНИЕМ

Схема запчастей Komatsu WA30-2 - КОВШ ГИДРОЦИЛИНДР ПОДЪЕМА(№-) УПРАВЛ-Е РАБОЧИМ ОБОРУДОВАНИЕМ
FIT
1:1
100%

Артикул

Название

Примечание

Количество

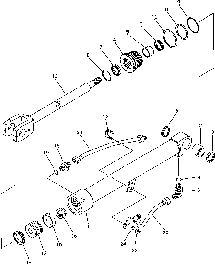
|1

362-63-12100

CYLINDER ASS'Y,L.H.

SN: 3001-4101

1шт.

|1

362-63-12200

CYLINDER ASS'Y,R.H.

SN: 3001-4101

1шт.

1

362-63-12140

CYLINDER,L.H.

SN: 3001-4101

1шт.

|1

362-63-12240

CYLINDER,R.H.

SN: 3001-4101

1шт.

2

07143-10304

BUSHING

SN: 3001-@

1шт.

3

07145-00035

SEAL,DUST

SN: 3001-@

2шт.

4

707-29-60190

HEAD,CYLINDER

SN: 3001-4101

1шт.

5

07177-03525

BUSHING

SN: 3001-@

1шт.

6

707-51-35210

PACKING,ROD

SN: 3001-@

1шт.

7

175-63-75190

SEAL,DUST

SN: 3001-@

1шт.

8

07179-00054

RING,SNAP

SN: 3001-@

1шт.

9

07000-12065

O-RING

SN: 3001-4101

1шт.

10

07001-02065

RING,BACK-UP

SN: 3001-4101

1шт.

11

707-45-60010

RING

SN: 3001-4101

1шт.

12

362-63-12120

ROD,PISTON

SN: 3001-4101

1шт.

13

707-36-60180

PISTON

SN: 3001-4101

1шт.

14

707-44-60080

RING,PISTON

SN: 3001-4101

1шт.

15

07155-00615

RING,WEAR

SN: 3001-@

1шт.

16

07165-12426

NUT

SN: 3001-4101

1шт.

17

07235-10315

ELBOW

SN: 3001-@

1шт.

18

07230-10315

UNION

SN: 3001-@

1шт.

19

07002-12034

O-RING

SN: 3001-@

2шт.

20

362-63-12170

TUBE,L.H.

SN: 3001-@

1шт.

|20

362-63-12270

TUBE,R.H.

SN: 3001-@

1шт.

21

362-63-12160

TUBE,L.H.

SN: 3001-4101

1шт.

|21

362-63-12260

TUBE,R.H.

SN: 3001-4101

1шт.

22

07283-21529

CLIP

SN: 3001-@

1шт.

23

01598-00809

NUT

SN: 3001-@

2шт.

24

01643-30823

WASHER

SN: 3001-@

2шт.

Выбрано товаров: 29