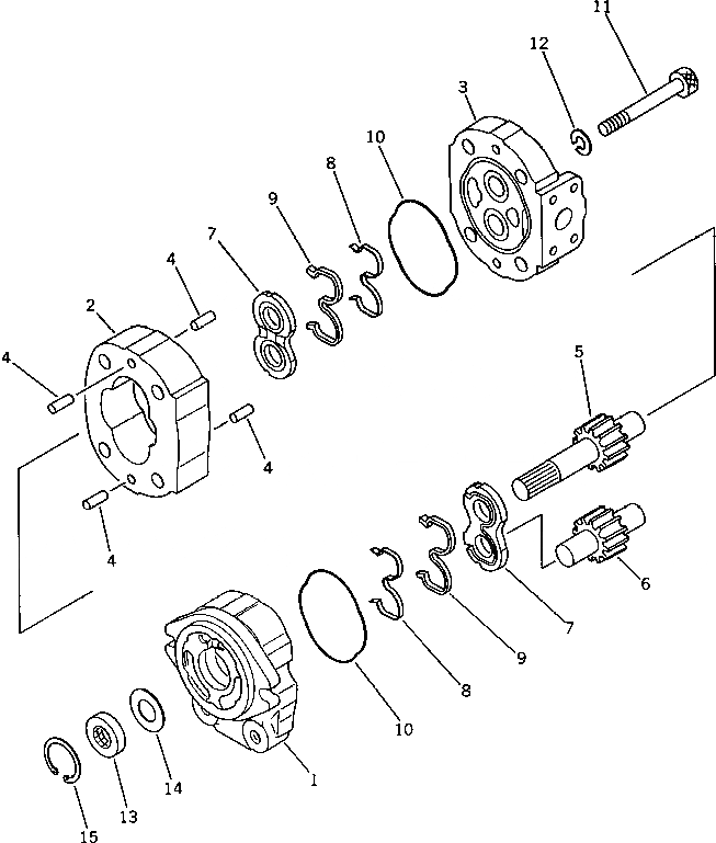
Запчасти Komatsu WA30-2 НАСОС РУЛЕВ. УПРАВЛ-Я (КРОМЕ ЯПОН.)(№-) РУЛЕВ. УПРАВЛЕНИЕ И СИСТЕМА УПРАВЛЕНИЯ

Схема запчастей Komatsu WA30-2 - НАСОС РУЛЕВ. УПРАВЛ-Я (КРОМЕ ЯПОН.)(№-) РУЛЕВ. УПРАВЛЕНИЕ И СИСТЕМА УПРАВЛЕНИЯ
FIT
1:1
100%

Артикул

Название

Примечание

Количество

|$0

705-12-21010

PUMP ASS'Y

SN: 3001-4101

1шт.

1

0

BRACKET ASS'Y

SN: 3001-4101

1шт.

2

0

CASE

SN: 3001-4101

1шт.

3

0

COVER ASS'Y

SN: 3001-4101

1шт.

4

0

PIN

SN: 3001-@

4шт.

5

0

GEAR,DRIVE

SN: 3001-4101

1шт.

6

0

GEAR,DRIVEN

SN: 3001-4101

1шт.

7

705-17-01610

PLATE

SN: 3001-4101

2шт.

8

705-17-01440

RING,BACK-UP

SN: 3001-4101

2шт.

9

705-17-01470

SEAL,SEAL

SN: 3001-4101

2шт.

10

705-17-01381

O-RING

SN: 3001-@

2шт.

11

705-17-02720

BOLT

SN: 3001-4101

4шт.

12

01602-21236

WASHER,SPRING

SN: 3001-4101

4шт.

13

704-17-01810

SEAL

SN: 3001-@

1шт.

14

705-17-01870

PLATE

SN: 3001-@

1шт.

15

04065-03515

RING,SNAP

SN: 3001-@

1шт.

Выбрано товаров: 16