Запчасти Komatsu WA30-2 НАСОС РУЛЕВ. УПРАВЛ-Я (КРОМЕ ЯПОН.)(№-) РУЛЕВ. УПРАВЛЕНИЕ И СИСТЕМА УПРАВЛЕНИЯ

Схема запчастей Komatsu WA30-2 - НАСОС РУЛЕВ. УПРАВЛ-Я (КРОМЕ ЯПОН.)(№-) РУЛЕВ. УПРАВЛЕНИЕ И СИСТЕМА УПРАВЛЕНИЯ
FIT
1:1
100%

Артикул

Название

Примечание

Количество

|$0

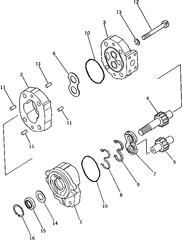
705-62-21010

PUMP ASS'Y

SN: 4102-UP

1шт.

1

0

BRACKET ASS'Y

SN: 4102-UP

1шт.

2

0

CASE

SN: 4102-UP

1шт.

3

0

COVER ASS'Y

SN: 4102-UP

1шт.

4

0

GEAR,DRIVE

SN: 4102-UP

1шт.

5

0

GEAR,DRIVEN

SN: 4102-UP

1шт.

6

705-67-01620

PLATE

SN: 4102-UP

1шт.

7

705-67-01610

PLATE

SN: 4102-UP

1шт.

8

705-67-01440

RING,BACK-UP

SN: 4102-UP

1шт.

9

705-17-01470

SEAL

SN: 4102-UP

1шт.

10

705-17-01381

O-RING

SN: 3001-UP

2шт.

11

04020-00820

PIN,DOWEL

SN: 3001-UP

4шт.

12

01252-31055

BOLT

SN: 4102-UP

4шт.

13

01601-21030

WASHER,SPRING

SN: 4102-UP

4шт.

14

705-17-01870

PLATE

SN: 3001-UP

1шт.

15

704-17-01810

SEAL

SN: 3001-UP

1шт.

16

04065-03515

RING,SNAP

SN: 3001-UP

1шт.

Выбрано товаров: 17