Запчасти Komatsu WA30-3 ТРАНСМИССИЯ (РЕВЕРС И 1 МУФТА) ГТР CONVERTOR¤ ТРАНСМИССИЯ И ДИФФЕРЕНЦ.

Схема запчастей Komatsu WA30-3 - ТРАНСМИССИЯ (РЕВЕРС И 1 МУФТА) ГТР CONVERTOR¤ ТРАНСМИССИЯ И ДИФФЕРЕНЦ.
FIT
1:1
100%

Артикул

Название

Примечание

Количество

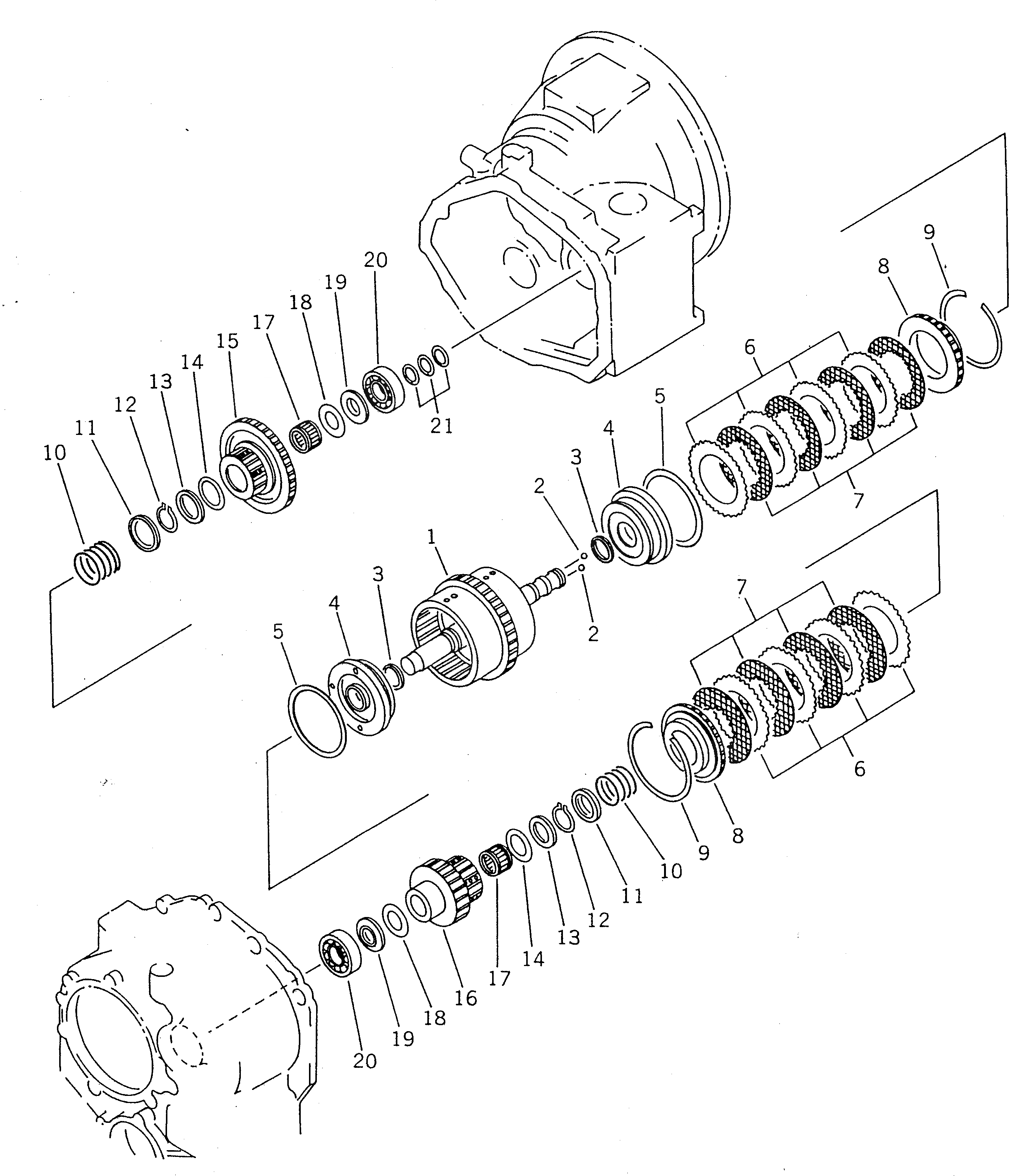
|1

363-15-00210

CLUTCH ASS'Y,REVERSE AND 1ST

SN: 9001-UP

1шт.

1

363-15-22021

SHAFT ASS'Y

SN: 9001-UP

1шт.

2

04260-00793

BALL

SN: 9001-UP

2шт.

3

07018-00402

RING,SEAL

SN: 9001-UP

2шт.

4

363-15-22740

PISTON

SN: 9001-UP

2шт.

5

419-15-12210

RING,SEAL

SN: 9001-UP

2шт.

6

363-15-22750

PLATE

SN: 9001-UP

8шт.

7

363-15-22820

DISC

SN: 9001-UP

8шт.

8

363-15-22382

PLATE,END

SN: 9001-UP

2шт.

9

363-15-29510

RING,SNAP

SN: 9001-UP

2шт.

10

363-15-22970

SPRING

SN: 9001-UP

2шт.

11

363-15-22771

COLLAR

SN: 9001-UP

2шт.

12

04064-04018

RING,SNAP

SN: 9001-UP

2шт.

13

363-15-22580

SPACER

SN: 9001-UP

2шт.

14

09233-13520

WASHER,THRUST

SN: 9001-UP

2шт.

15

363-15-22621

GEAR¤ 50-41 TEETH

SN: 9001-UP

1шт.

16

363-15-22631

GEAR¤ 32-41 TEETH

SN: 9001-UP

1шт.

17

363-15-29410

BEARING,NEEDLE

SN: 9001-UP

2шт.

18

09233-13520

WASHER,THRUST

SN: 9001-UP

2шт.

19

363-15-22570

SPACER

SN: 9001-UP

2шт.

20

06030-06306

BEARING,BALL

SN: 9001-UP

2шт.

21

363-15-29212

RING,SEAL

SN: 9001-UP

3шт.

Выбрано товаров: 22