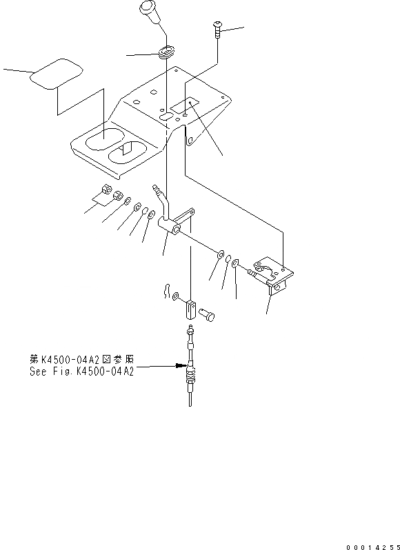
Запчасти Komatsu WA30-5-CN РАБОЧЕЕ ОБОРУДОВАНИЕ УПРАВЛ-Е (HAND THROTTLE СОЕДИНИТЕЛЬН. ЗВЕНО) КАБИНА ОПЕРАТОРА И СИСТЕМА УПРАВЛЕНИЯ

Схема запчастей Komatsu WA30-5-CN - РАБОЧЕЕ ОБОРУДОВАНИЕ УПРАВЛ-Е (HAND THROTTLE СОЕДИНИТЕЛЬН. ЗВЕНО) КАБИНА ОПЕРАТОРА И СИСТЕМА УПРАВЛЕНИЯ
1
2
3
4
4
4
4
5
6
7
8
9
9
10
FIT
1:1
100%

Артикул

Название

Примечание

Количество

1

363-Z18-3110

BRACKET

SN: 26001-UP

1шт.

2

23S-06-14990

SCREW

SN: 26001-UP

3шт.

3

363-Z18-3140

LEVER

SN: 26001-UP

1шт.

4

363-Z18-3160

WASHER

SN: 26001-UP

4шт.

5

01643-31232

WASHER

SN: 26001-UP

1шт.

6

01580-01008

NUT

SN: 26001-UP

2шт.

7

08037-02512

GROMMET

SN: 26001-UP

1шт.

8

363-Z18-3190

PLATE¤ OPERATING

SN: 26001-UP

1шт.

9

07000-12018

O-RING

SN: 26001-UP

2шт.

10

363-Z18-3210

PLATE

SN: 26001-UP

1шт.

Выбрано товаров: 10