/ / / / / / ПАНЕЛЬ ПРИБОРОВ (МАСТЕР КЛЮЧ ТИП)(№-)
Запчасти Komatsu WA30-5 ПАНЕЛЬ ПРИБОРОВ (МАСТЕР КЛЮЧ ТИП)(№-) ЭЛЕКТРИКА
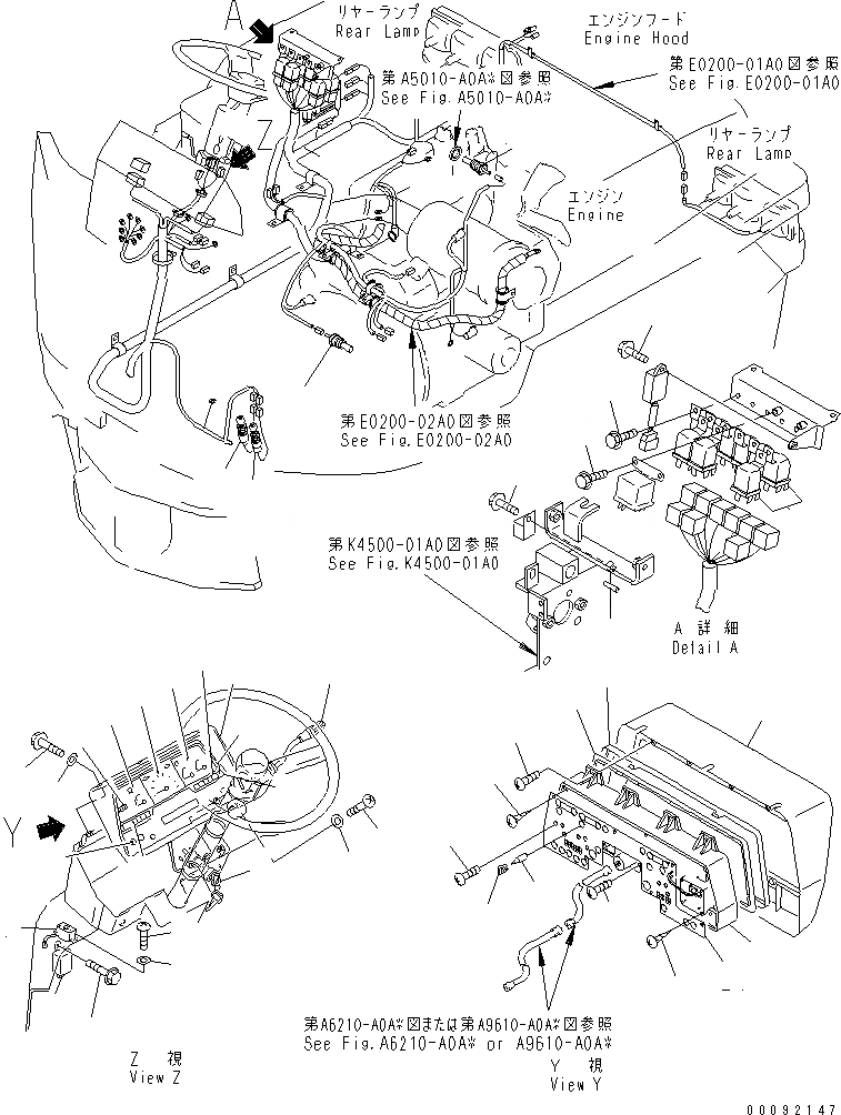
1
2
3
4
5
6
7
8
9
10
11
12
12
13
14
15
16
17
18
19
19
20
20
21
22
23
24
25
26
27
28
29
30
31
32
32
33
34
35
36
37
38
1
08086-10000
SWITCH,STARTING
SN: 26001-UP
1шт.
2
363-06-31240
FLASHER
SN: 26001-UP
1шт.
3
01435-00612
BOLT
SN: 29007-UP
1шт.
4
363-06-31140
SWITCH,COMBINATION
SN: 26001-UP
1шт.
5
363-06-31130
RELAY
SN: 26001-UP
9шт.
6
01435-00610
BOLT
SN: 26001-UP
9шт.
7
363-06-31151
BUZZER
SN: 26001-UP
1шт.
8
01023-10414
SCREW
SN: 26001-UP
2шт.
9
01641-20405
WASHER
SN: 26001-UP
2шт.
10
01435-00625
BOLT
SN: 26001-UP
2шт.
11
01435-00616
BOLT
SN: 26001-UP
1шт.
|$16
42A-06-25151
PANEL ASS'Y
SN: 26501-UP
1шт.
12
417-06-25120
PANEL
SN: 26001-UP
1шт.
13
42A-06-15222
HOUSING
SN: 26501-UP
1шт.
14
363-06-35312
GAUGE,TEMPERATURE
SN: 26501-UP
1шт.
15
363-06-35320
TACHOMETER
SN: 26001-UP
1шт.
16
0
GAUGE,FUEL
SN: 26501-UP
1шт.
17
363-06-35331
LENS
SN: 26001-UP
1шт.
18
42A-06-25160
LENS
SN: 26001-UP
1шт.
19
42A-06-15281
PLATE,SHADOW
SN: 26501-UP
1шт.
20
42A-06-15290
COVER,FRONT
SN: 26001-UP
1шт.
21
0
PLATE,PRINT
SN: 26501-UP
1шт.
22
01370-00412
SCREW
SN: 26501-UP
5шт.
23
01023-10408
SCREW
SN: 26001-UP
2шт.
24
42A-06-15321
METER,SERVICE
SN: 26501-UP
1шт.
25
363-06-35360
SOCKET
SN: 26001-UP
15шт.
26
363-06-35390
BULB, 1.4W
SN: 26001-UP
15шт.
27
42A-06-15350
SCREW
SN: 26001-UP
5шт.
28
363-06-35420
CAP
SN: 26001-UP
2шт.
29
01370-00310
SCREW
SN: 26501-UP
7шт.
30
01023-10314
SCREW
SN: 26501-UP
9шт.
31
363-06-35410
BOLT
SN: 26001-UP
3шт.
32
01642-40608
WASHER
SN: 26001-UP
5шт.
33
01220-70616
SCREW
SN: 26001-UP
2шт.
34
421-S33-3282
SWITCH,PARKING BRAKE
SN: 26001-UP
1шт.
35
417-06-11210
SENSOR
SN: 26001-UP
1шт.
36
363-06-37120
SWITCH,STOP LAMP
SN: 26001-UP
1шт.
37
363-06-31220
SENSOR
SN: 26001-UP
1шт.
38
01435-00610
BOLT
SN: 26001-UP
2шт.
Выбрано товаров: 0