Запчасти Komatsu WA30-5RS ROAD SWEEPER (/8) (BRUSH КОРПУС РЕЗИН.)(№-) РАБОЧЕЕ ОБОРУДОВАНИЕ

Схема запчастей Komatsu WA30-5RS - ROAD SWEEPER (/8) (BRUSH КОРПУС РЕЗИН.)(№-) РАБОЧЕЕ ОБОРУДОВАНИЕ
FIT
1:1
100%

Артикул

Название

Примечание

Количество

|1

363-N90-3311

SWEEPER ASS'Y,(IRON WHEEL TYPE)

SN: 15001-UP

1шт.

|1

363-Z56-3510

SWEEPER ASS'Y,(TIRE TYPE)

SN: 15001-UP

1шт.

|$$3

THESE ASSEMBLIES CONSIST OF ALL PARTS SHOWN IN FIGS.T4250-51A0 TO T4250-58A0.

-1шт.

|1

363-N90-3121

SWEEPER ASS'Y,(IRON WHEEL TYPE)

SN: 15001-UP

1шт.

|1

363-Z56-3520

SWEEPER ASS'Y,(TIRE TYPE)

SN: 15001-UP

1шт.

|$$6

THESE ASSEMBLIES CONSIST OF ALL PARTS SHOWN IN FIGS.T4250-51A0 TO T4250-58A0.

-1шт.

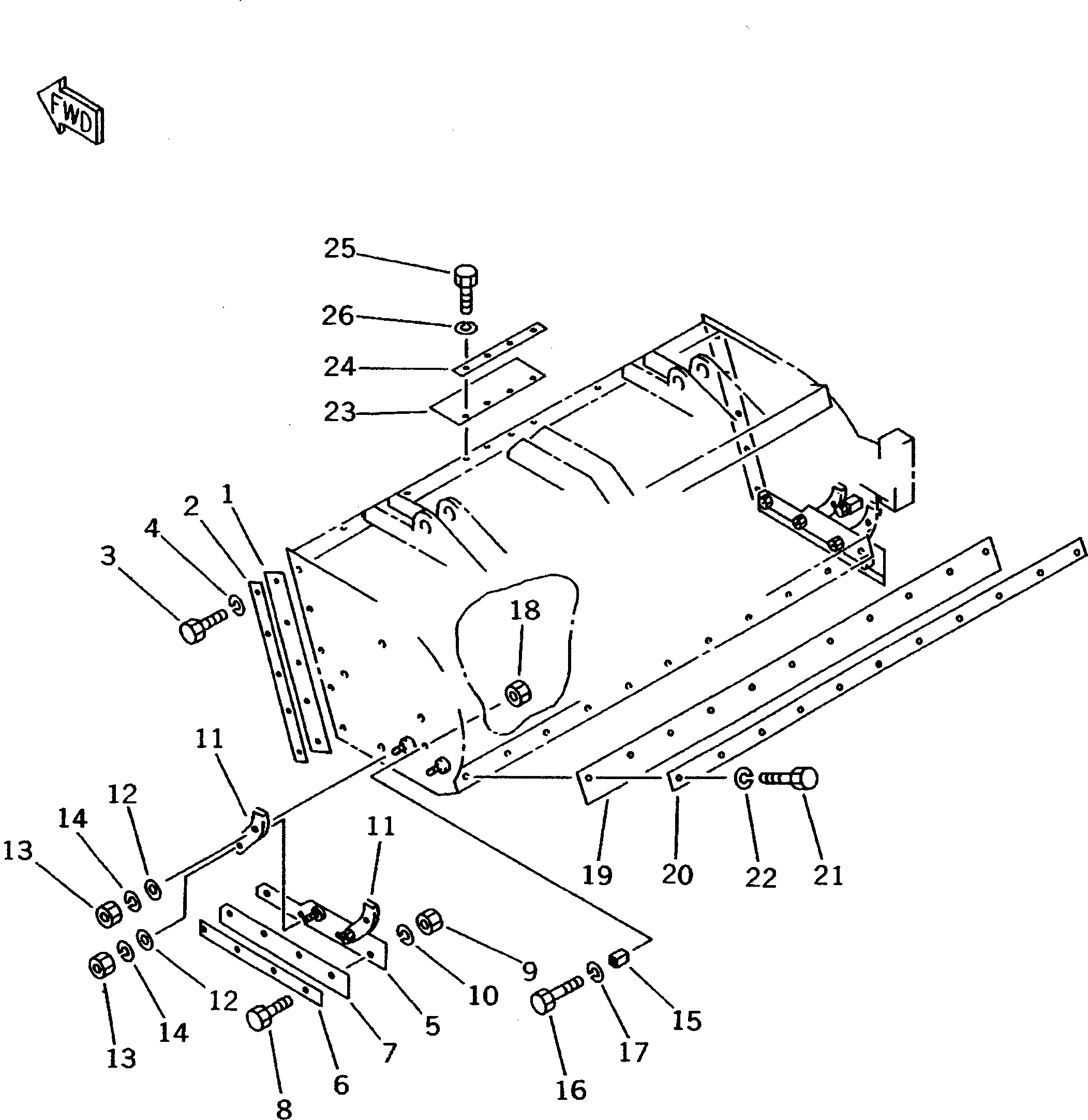
1

362-N90-4230

RUBBER

SN: 15001-UP

2шт.

2

362-N90-4220

PLATE

SN: 15001-UP

2шт.

3

01010-80616

BOLT

SN: 15001-UP

10шт.

4

01602-20619

WASHER,SPRING

SN: 15001-UP

10шт.

5

362-N90-4310

PLATE,SLIDE¤ L.H.

SN: 15001-UP

1шт.

|5

362-N90-4290

PLATE,SLIDE¤ R.H.

SN: 15001-UP

1шт.

6

362-N90-4280

RUBBER

SN: 15001-UP

2шт.

7

362-N90-4270

PLATE

SN: 15001-UP

2шт.

8

362-N90-4260

BOLT

SN: 15001-UP

8шт.

9

01580-10806

NUT

SN: 15001-UP

8шт.

10

01602-20825

WASHER,SPRING

SN: 15001-UP

8шт.

11

362-N90-4320

LINK

SN: 15001-UP

2шт.

|11

362-N90-4330

LINK

SN: 15001-UP

2шт.

12

362-N90-4340

WASHER

SN: 15001-UP

8шт.

13

01582-11008

NUT

SN: 15001-UP

8шт.

14

01602-21030

WASHER,SPRING

SN: 15001-UP

8шт.

15

362-N90-4510

STOPPER

SN: 15001-UP

2шт.

16

01050-51045

BOLT

SN: 15001-UP

2шт.

17

01602-21030

WASHER,SPRING

SN: 15001-UP

2шт.

18

01582-11008

NUT

SN: 15001-UP

2шт.

19

362-N90-4350

RUBBER

SN: 15001-UP

1шт.

20

362-N90-4360

PLATE

SN: 15001-UP

1шт.

21

01010-80820

BOLT

SN: 15001-UP

11шт.

22

01602-20825

WASHER,SPRING

SN: 15001-UP

11шт.

23

362-N90-4580

RUBBER

SN: 15001-UP

3шт.

24

362-N90-4570

PLATE

SN: 15001-UP

3шт.

25

01010-80616

BOLT

SN: 15001-UP

12шт.

26

01602-20619

WASHER,SPRING

SN: 15001-UP

12шт.

Выбрано товаров: 0